
声表滤波器
820x615 - 37KB - JPEG

声表滤波器L38.9晶振 圆形TO-39 厂家直销 全新
1200x900 - 132KB - JPEG

【基站声表滤波器Saw filter for Base station BF
1357x1920 - 330KB - JPEG

供应摇控器专用声表T039 315-谐振器|频率元件
640x640 - 65KB - JPEG

供应华远微电~SF系列无线门铃声表谐振器_华
555x555 - 30KB - JPEG

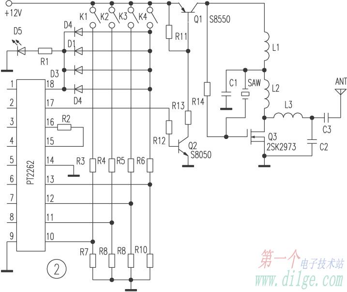
声表在无线电遥控中的应用
717x603 - 46KB - JPEG

压电晶体、频率元件-声表谐振器价格|圆形三个
640x640 - 34KB - JPEG

遥控器上用贴片声表谐振器5050 315M 433M
315x315 - 25KB - JPEG

基于声表SAW RF无线发射模块315M\/433.92M
166x306 - 10KB - JPEG

【SF30-1880M6UU00京瓷声表滤波1880MHZ
310x254 - 15KB - JPEG

声表谐振器R433T2晶振贴片 SMD 厂家直销图
1200x900 - 170KB - JPEG

声表_声表供应商_供应NDR433A防盗遥控专用
290x180 - 5KB - JPEG

厂家直销无线遥控器声表谐振器 TO39-433.92
310x310 - 42KB - JPEG

声表滤波器_声表滤波器供货商_供应声表滤波
255x177 - 4KB - JPEG

使用声表谐振器的800米发射电路
566x440 - 30KB - JPEG
简介:声表滤波器(通常简称SAW)主要作用原理是利用压电材料的压电特性,利用输入与输出换能器(Transducer)将电波
上汽集团发表声表,否认大众将调整在华合资企业股比 用户1901606821 2019-03-18 15:38 日前,就网上传关于大众将调整在华合资企业股比时间,上汽
2019年10月09日,深圳市晶友嘉电子有限公司报道!张家港低温遥控器315MHZ声表晶振哪家好,公司提供最完善的技术解决方案,和最优质高效的售前,
深圳市声表电子有限公司于1997年创建,公司秉承“专业、专注、优质、创新”的八字方针,致力于创新科技、卓越品质的经营理念。将发展战略、品牌定位、形象理念、产品研
如需购买无线遥控开关;遥控器;报警器;探测器类;无线收发组件;创胜无线呼叫系统;无线交流遥控开关;智能家居;智能家居系统;排队聚餐器,请联系我们深圳市声表电子有限公司
公司专注于品牌电子零组件的生产与代理,作为国内最大的声表面波器件和LTCC器件供应商。优势提供300m-2.6G声表滤波器、声表双工器,北斗导航声表滤波器,TD-LTE声表
深圳市声表电子有限公司创立于1997年,是从事高频无线产品研制、生产和销售的专业性公司。历经十年,公司创立了声表电子和创胜两大品牌,十年拼搏,公司在业内因具有:研发
深圳市声表电子有限公司品牌营销部(https://cstang.cn.china.cn)主营产品包括遥控开关等,深圳市声表电子有限公司品牌营销部负责人唐先生,深圳市声表电子有限公司品牌营销
深圳市声表电子有限公司主营遥控开关,调光开关,智能家居控制系统,窗帘控制器