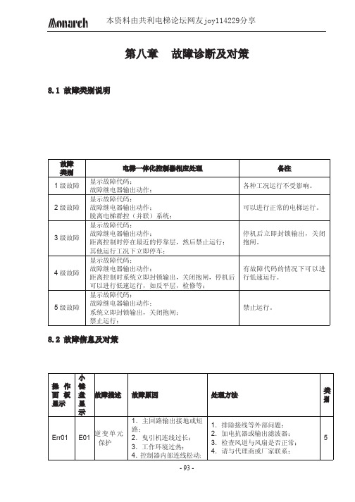
默纳克3000故障代码

默纳克3000故障代码相关图片

默纳克3000故障代码
500x752 - 77KB - JPEG

默纳克3000故障代码
500x822 - 66KB - JPEG

默纳克3000故障代码
500x732 - 77KB - JPEG

默纳克3000故障代码
500x676 - 51KB - JPEG

默纳克3000+故障代码
496x702 - 25KB - JPEG

默纳克3000+故障代码
496x702 - 64KB - JPEG

默纳克3000+故障代码
496x702 - 77KB - JPEG

默纳克3000+故障代码
504x713 - 59KB - JPEG

默纳克3000New故障代码及详细解决方法
434x439 - 21KB - JPEG

默纳克3000New故障代码及详细解决方案
920x1302 - 60KB - JPEG

默纳克3000new故障代码及详细解决方案设计
300x424 - 6KB - GIF

默纳克3000故障代码
500x840 - 68KB - JPEG

默纳克3000故障代码
500x708 - 36KB - JPEG

默纳克3000故障代码
500x708 - 53KB - JPEG

默纳克3000故障代码
500x708 - 50KB - JPEG

默纳克3000故障代码相关问答

暂无相关问答

大家都在看

相关专题