电子防盗系统

电子防盗系统相关图片

汽车电子防盗系统的组成
500x337 - 37KB - JPEG

南京肯麦思RFID读卡器电子防盗系统-南京
560x423 - 14KB - JPEG

肯麦思RFID读卡器电子防盗系统解决方案
567x435 - 29KB - JPEG

汽车电子防盗系统的组成
500x441 - 43KB - JPEG

发动机电子防盗系统IMMO
543x391 - 25KB - JPEG

第五代智能电子防盗系统
991x483 - 66KB - JPEG

拓天电子围栏触网脉冲电子围栏脉冲电网
298x298 - 37KB - JPEG

汽车 电子防盗
500x409 - 26KB - JPEG

汽车电子防盗系统的组成
500x375 - 24KB - JPEG

Rexense婴儿防盗系统--电子产品世界手机版
1000x1079 - 61KB - JPEG

婴儿防盗系统
527x460 - 224KB - PNG

大众迈腾第四代发动机防盗系统
699x447 - 14KB - PNG

及防盗系统设计- 电源设计- 电子工程世界网
721x519 - 46KB - JPEG

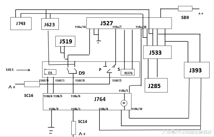
详解电子防盗系统电路故障检修 - 精通维修
775x606 - 51KB - JPEG

详解电子防盗系统电路故障检修
1986x2530 - 566KB - JPEG

电子防盗系统相关问答

暂无相关问答

大家都在看

相关专题