饮水机电路图_饮水机温控器

饮水机电路图相关图片

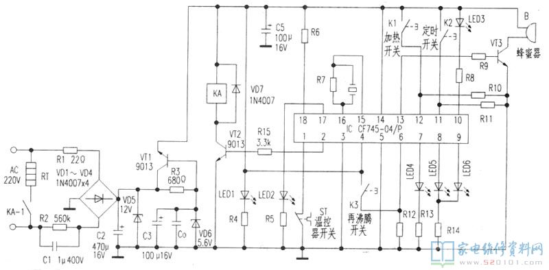
家乐仕饮水机电路原理及维修
800x394 - 40KB - JPEG

加林HW-13TY温热饮水机电路图--电子产品世界手机版
546x457 - 50KB - JPEG

【图】顺康RYH-5型的温热饮水机电路其它电路图 电路图 维库电子市场网
215x102 - 11KB - JPEG

名果皇ZB-2001型温热饮水机电路- 消费类电子电路图- 电子发烧友网
517x273 - 31KB - JPEG

安吉尔JD-26TK型温热饮水机电路图_电路图_电子产品世界
453x284 - 24KB - JPEG

维力HC-18T,HC-18L冷热饮水机电路图--电子产品世界手机版
634x407 - 161KB - JPEG

顺康RYH-5型温热饮水机电路图 - 电子发烧友网
215x104 - 11KB - JPEG

美的YLRS2-5HBX-16带消毒柜冷热饮水机电路图._电路图_电子产品世界
406x330 - 96KB - JPEG

夏尔YLR1-5T YLR1-5L冷热饮水机电路图 - 电子发烧友网
510x376 - 42KB - JPEG

安吉尔JD-26TK型温热饮水机电路图 - 电子发烧友网
253x133 - 14KB - JPEG

吉宝CH-5T2冷热饮水机电路图
454x324 - 57KB - JPEG

安吉尔JD-12LH豪华型冰热饮水机电路图
396x226 - 31KB - JPEG

夏尔牌温热饮水机电路
219x118 - 25KB - JPEG

振达ZRC-981带消毒柜温热饮水机电路图
395x270 - 34KB - JPEG

安吉尔JD-11T型冰热饮水机电路图
315x134 - 19KB - JPEG

饮水机电路图相关问答

暂无相关问答

大家都在看

相关专题