电工电路图_电工符号

电工电路图相关图片

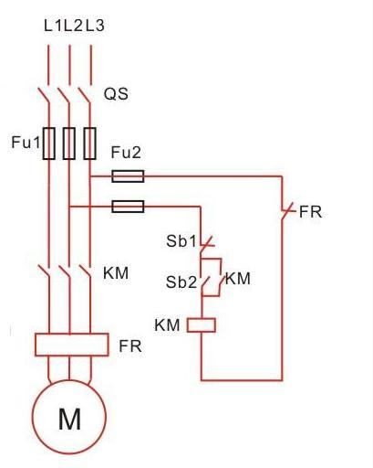
来自《超实用电工电路图集》的45张电动机控制电路图,值得收藏!
640x450 - 38KB - JPEG

电工基础电路图_电子街
553x453 - 24KB - JPEG

电路图都看不懂怎么成为高级电工,3点看图建议送给你-天天快报
409x512 - 13KB - JPEG

电工控制线路接线大全_电工电路图与接线图大全
640x609 - 29KB - JPEG

电工必备|断路器及接触器电路图大全电机接线不求人值得收藏!
587x333 - 14KB - JPEG

伺服线性加速计的应用电路 - 电工基础电路图 - 电子发烧友网
702x602 - 101KB - JPEG

6张经典电路图分析,让你从电工学徒进化成高级电工,你都会吗?_继电器
640x419 - 32KB - JPEG

学习| 最基础电工电路图原理图解,值得收藏!_电气
640x480 - 76KB - JPEG

二次接线看图口诀_电工电路图接线口诀
826x513 - 57KB - JPEG

学电工看不懂电路图怎么行?最基础电工电路图原理图解_作业
640x480 - 53KB - JPEG

常用电工电路图大全值得珍藏
566x800 - 48KB - JPEG

常用电工电路图大全值得珍藏
566x800 - 39KB - JPEG

三相电动机正反转控制线路电路图- 电工天下
545x519 - 39KB - JPEG

惠普激光打印机电源电路图 - 家电维修 - 电工之家
2380x1558 - 324KB - JPEG

电工常用的各种电路图,你值得拥有_调速
640x862 - 49KB - JPEG

电工电路图相关问答

电工电路图符号大全
答:电工符号大全 电流表 PA 电压表 PV 有功电度表 PJ 无功电度表 PJR 频率表 PF 电压表切换开关 SV 电流表切换开关 SA 整流器 U 可控硅整流器 UR 控制电路有
电工电路图符号都是那些?
答:电工电路图符号有很多,你又不想看书那儿学的到东西
电工电路图制图大家都用什么软件呢?
答: 最简单的办公软件 CAD 就行了!简单方便 元器件可以下载元器件图库! 简单好用!
电工电路图中SQ代表什么?
答: 行程开关!
新电工识电路图符号
答:呵呵,这是说明这电路图是由CAD绘图软件制作的
电工进来研究下这个初级电工电路图?
答: UVW 表示电压表旋转开关,接线柱有标示,进线接3相电源,出线接电压表,可实现电压表显示UV UW VW 三相电压是否正常.
电工的电路图怎么布置?
答: 本人是设计师,不是专业电工,未尽的问题,可以询问一下给你装修的电工,给买包烟就能保证质量是值得的。还有,刨墙的时候一定要注意原有线路的保护,要问开发商要原电路图,
电工电路图中SQ代表什么?
答:SQ代表行程开关,位置开关(又称限位开关)的一种,是一种常用的小电流主令电器。利用生产机械运动部件的碰撞使其触头动作来实现接通或分断控制电路,达到一定的控制目的。
电工电路图识别元器件
答: 看看这本书向左转|向右转
电工电路图用什么软件画啊大家帮帮忙
答: 用AUTO CAD

大家都在看

相关专题