
原装海信电视机拆机电源管D5017 21~25寸常
235x460 - 25KB - JPEG

【长虹TCL海信康佳夏普 创维液晶电视机电源
750x690 - 35KB - JPEG

海信LED42K11P外观介绍
580x387 - 37KB - JPEG

长虹TCL海信康佳夏普 创维液晶电视机电源开
300x269 - 149KB - PNG

海信新型彩色电视机速修图解\/韩广兴
500x762 - 76KB - JPEG

超简洁超易用 海信智能双雄明星电视机推荐
500x333 - 19KB - JPEG

长虹TCL海信康佳夏普 创维液晶电视机电源开
800x735 - 52KB - JPEG

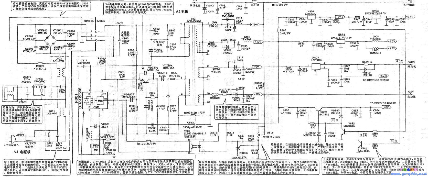
海信TRIDENT机芯高清彩电开关电源原理分析
1672x692 - 304KB - JPEG

长虹康佳王牌创维海信液晶电视机电源开关船形
800x600 - 102KB - JPEG

长虹TCL海信康佳夏普 创维液晶电视机电源开
300x227 - 24KB - JPEG

全新升级版 评海信旗舰液晶TLM42V68PR(3)
450x338 - 25KB - JPEG

长虹TCL海信康佳夏普 创维液晶电视机电源开
750x750 - 65KB - JPEG

长虹TCL海信康佳夏普 创维液晶电视机电源开
750x750 - 56KB - JPEG

【海信液晶电视机电源开关按钮】_海信液晶电
300x300 - 21KB - JPEG

【海信康佳夏普 创维液晶电视机电源开关4脚
750x750 - 54KB - JPEG
是什么型号的?一般主电源在电视的右下角,如果没有就是后来新机器取消了。
尊敬的海信用户,您好! 不知道您电视机的具体型号,如果您的电视机设计有电源开机,一般都在机器下面的中间位置,建议您阅读一下产品使用指南。
有的型号电视上有开关,有的没有,如果有 一般就在电视下方,没有的 在遥控器的电源键
一般在右下角边框处,有个硬电源开关。 开机后,如果处于待机状态,要用遥控器再打开。
海信电视总电源开关一般设计在右下角的边框处,不同型号设计的开关位置各不一样,用户可以直接在机身周围查找或者查看电视机的产品说明书查找。1、由于目前电
海信电视的开关在哪.我找不见电源开关和遥控器我会告诉你们我找见了开关却发现没有电源线么 进入贴吧 全吧搜索 吧内搜索 04月07日漏签0天 乌拉特前旗吧 关注:49,781贴
海信42寸网络智能电视开关一般设计在电视机的下边框正中靠右的位置;如下图所示:
海信电视总电源开关一般设计在右下角的边框处,不同型号设计的开关位置各不一样,用户可以直接在机身周围查找或者查看电视机的产品说明书查找。1、由于目前电视机技术
hisense/海信led39s30电视机电源开关在哪个位置?:您好!详情请参考说明书产品前视图说明? hisense/海信led39s30电视. hisense/海信led39s30电视机电源开关在哪个位置? 师
土巴兔装修问答平台为网友提供各种谁晓得hisense电视机开关在哪里问题解答。土巴兔装修问答汇聚 600万业主的装修经验和智慧,迅速解决装修困惑 我的土巴兔 我的土巴兔