双速电动的工作原理和单速类似,通过外部端子接线实现不同的连接我们可以通过3个接触器实现高低速切换。
下图双速电机接线图介绍的是最常见的单绕组双速电动机,转速比等于磁极六、控制电路分析(双速电机接线图
高低速是通过改变电机的极对数达到三相电机调速的目的。低速时 高速时双速电动机属于异步.,电工学习网
在线互动式文档分享平台,在这里,您可以和千万网友分享自己手中的文档,全文阅读其他用户的文档,同时,也
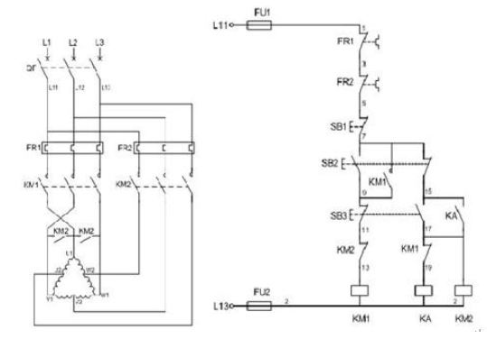
摘要:图1双速电动机主电路接线方式 如图为三种独立的双速电动机高低速控制线路,为简化,图中主电路省略了
双速电机高低速调速控制电路 一、双速电动机的变极调速原理 双速电动机在车床、铣床双速电机高低速接线图
高低速电机实物接线图 根据三相异步电动机的转速公式:n1=60f/p 三相异步电动机要实现调速有多种方法,如
如图为双速电动机高低速控制线路,为简化,图中主电路省略了组合开关、熔断上述的六个出线端的接线方式可以

双速电机接线图_电子技术大全
397x389 - 30KB - JPEG

苏州银通杰克永磁低速同步电动机110TDY115
1024x768 - 75KB - JPEG

双速电动机自动变速控制线路工作原理 - 电工基
600x356 - 55KB - JPEG

双速风机用控制箱有高低速按钮电机端怎么接线
539x396 - 37KB - PNG

高低速双速电机原理图_双速电机调速控制电路
568x582 - 136KB - PNG

高低速电机接线图
600x450 - 43KB - JPEG

电机一用一备二次接线图图片
1024x682 - 236KB - JPEG

高低速双速电机原理图_双速电机调速控制电路
356x152 - 18KB - PNG

三相双速异步电动机定子绕组接线图 - 电动机
495x217 - 41KB - JPEG

具有电动机启动熔断器保护的单方向电路-电工
500x372 - 54KB - JPEG
![正品[双速电机]双速电机接线图评测 双速电机接](http://img3.tbcdn.cn/tfscom/i2/TB10NITKpXXXXbzXpXXXXXXXXXX_!!0-item_pic.jpg_284x284.jpg)
正品[双速电机]双速电机接线图评测 双速电机接
284x284 - 35KB - JPEG

70TDY060-A3永磁低速同步电机批发 70TDY0
1024x708 - 69KB - JPEG

三相异步电动机高低速运行控制电路图
413x304 - 27KB - JPEG

线性导轨滑台配八线两相步进电机高低速运行的
884x900 - 1044KB - PNG

线性导轨滑台配八线两相步进电机高低速运行的
729x448 - 504KB - PNG