![[厂家直销]DC24V供电光隔离电流电压变送器T](http://i02.c.aliimg.com/img/ibank/2011/671/179/315971176_1414582806.jpg)
[厂家直销]DC24V供电光隔离电流电压变送器T
548x599 - 60KB - JPEG

兰仪创新光化学反应仪-新款电流、电压、功率
675x746 - 49KB - JPEG

表面光电压谱_SPV,表面光电压谱,光电压,光电
418x302 - 195KB - PNG

数字式光电流电压互感器设计.pdf文档全文免费
800x1127 - 287KB - PNG
![[厂家直销]DC24V供电光隔离电流电压变送器T](http://file1.dzsc.com/bigcustomerad/14/07/31/154917744.png)
[厂家直销]DC24V供电光隔离电流电压变送器T
764x396 - 48KB - PNG

兰仪创新光化学反应仪-新款电流、电压、功率
852x1136 - 140KB - JPEG

第三章2光电二极管.ppt
1152x864 - 321KB - PNG

兰仪创新光化学反应仪-新款电流、电压、功率
1136x852 - 177KB - JPEG
下列关于超重.失重现象的描述正确的是( )A.电
349x193 - 48KB - PNG

贵州省贵阳市第一中学2018届高三3月月考理科
993x1404 - 82KB - PNG

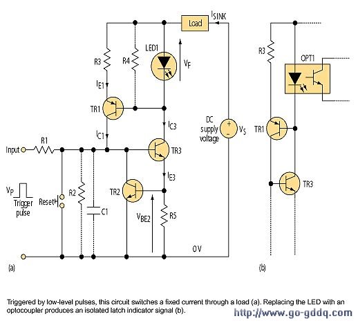
锁闭电流吸收器可响应窄的触发脉冲
518x467 - 37KB - JPEG

用同一光管研究a.b两种单色光产生的光电效应
192x169 - 4KB - PNG

兰仪创新光化学反应仪-新款电流、电压、功率
852x1136 - 182KB - JPEG

微机继电保护测试仪六相电压六相电流
500x350 - 226KB - PNG
安科瑞AFPM3-AVIM消防电压电流监控模块消
484x422 - 27KB - JPEG
(2013•镇江二模)如图是研究光电效应的电路,则下列关于光电流与电压的关系图象正确的是() A. B. C.
研究光电效应的光路图 光电流与电压的关系图3-5书上的图为什么蓝光在在中间 电流恰为零,此时光电管两端加
请问如何理解光电效应里电压和光电光电的实质是金属板上的电子接受了光子的能量从金属板种射出,尔为什么是
在光电效应实验中,飞飞同学用同一光电管在不同实验条件下得到了三条光电流与电压之间的关系曲线(甲光、
在光电流的实验中,怎么光电流和电压负轴的零点是遏止电压. 正轴是正向电压eU=0.5m(v'^2-v^2).但是光电子
即光强一定,电压增大,电流增大到所以你说的饱和光电流与电压(工作电压)和光强(辐照的光强)都有关系是
在光照条件不变的情况下,随着电压的增大光电流也会一直增大 D 康普顿效应表明光子除了能量之外还具有
在线互动式文档分享平台,在这里,您可以和千万网友分享自己手中的文档,全文阅读其他用户的文档,同时,也