
为在线式ups
417x223 - 16KB - JPEG

UPSONIC在线式UPS逆变器
800x581 - 232KB - JPEG

【图】M2000型在线式UPS电源简介电源电路
710x330 - 31KB - JPEG

跪求 3KVA在线式UPS电路图 山特 艾默生 HP
450x248 - 29KB - PNG

供应在线式UPS电源、C3K(S)山特UPS电源、
280x237 - 16KB - JPEG

UPS电源-【十年专业UPS电源厂家】工频在线
1920x1748 - 609KB - JPEG

【图】upsonic在线式ups电源电源电路 电路图
559x800 - 68KB - JPEG

山特在线式ups 3000瓦功率 便宜出了_二手电脑
985x739 - 109KB - JPEG

在线式UPS - 51CTO.COM
500x180 - 18KB - JPEG

批发深圳山特3c15ks在线式ups不间断电源后备
2592x1728 - 241KB - JPEG

美国山特upsC10KS长机山特在线式ups【10K
971x728 - 52KB - JPEG

【图】东芝μ-1100型在线式UPS的直流辅助电
1056x1520 - 171KB - JPEG

【供应深圳山特C10K在线式UPS不间断电源】
680x441 - 26KB - JPEG

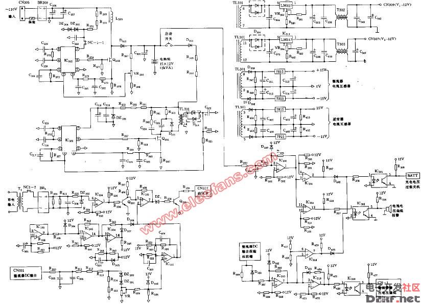
UPSONIC在线式UPS的充电电路,直流辅助电源
824x595 - 99KB - JPEG

【图】力搏特大型在线式UPS电源的典型并机
800x675 - 59KB - JPEG
图3-3 小型在线式UPS充电电路 图3-3所示为某小型在线式UPS的充电电路,该电路的工作原理如下:
在线式UPS,方案概述在线式UPS(不间断电源)常被用来保护敏感的电子设-汽车电子电路图-电子产品世界
UPSONIC在线式UPS电源电路,在线式UPS:在线式UPS在工作时,首先将市电转化为其他电源电路图-电子产品世界
UPS交流电源越来越广泛地应用于国民经济的各个领域。本文将介绍一种实用的单片机在线式UPS电路。如下图所示
实用的单片机在线式UPS电路图,UPS交流电源越来越广泛地应用于国民经济的各个领域。本文将介绍一种实用的
家用在线式UPS的原理结构框图如图1所示。220V、50Hz的市电经过开关电源转换方波逆变器电路原理如图4所示。
在线式UPS,电子发烧友网站提供各种电子电路,电路图,原理图,IC资料,技术文章,免费下载等资料,是广大
本文在对该“电荷泵”电路的工作图1为典型的“电荷泵”式电子镇流器电路图,图中Lr与Cr是谐振元件,Cb1是隔
希望可以帮到你!用心帮助,一定能帮助你!