
21寸熊猫CRT彩电图像上下抖动,怎么修?-快速
778x572 - 170KB - JPEG
![[求助]康佳T2132D 图像左右晃动? - 彩电维修论](http://www.chinadz.com/data/attachment/forum/dvbbs/2005-11/2005111120475976.jpg)
[求助]康佳T2132D 图像左右晃动? - 彩电维修论
354x471 - 21KB - JPEG

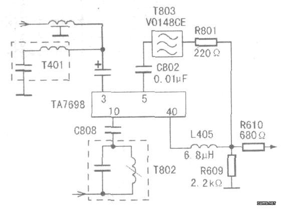
熊猫牌C56P16彩电画面呈不规则的S形扭曲,且
565x417 - 25KB - JPEG

熊猫牌c56p16彩电画面呈不规则的s形扭曲,且
565x417 - 25KB - JPEG

熊猫牌C56P16彩电画面呈不规则的S形扭曲,且
577x265 - 16KB - JPEG

夏普21N52场抖动 - 彩电维修论坛(CRT) - 家电
527x412 - 146KB - PNG

长虹HP4388背投彩电画面几何尺寸不稳,光栅抖
747x370 - 35KB - JPEG

每周明星电视推荐:彩电行业在地震中摇摆
500x313 - 39KB - JPEG

疯抢红包,福州苏宁五一最摇摆|苏宁|彩电
497x276 - 685KB - PNG
![[求助]索尼彩电KV-F29MF1边缘抖动 - CRT电视](http://www.chinadz.com/data/attachment/forum/dvbbs/2007-7/20077713515967382.jpg)
[求助]索尼彩电KV-F29MF1边缘抖动 - CRT电视
209x242 - 16KB - JPEG

每周明星电视推荐:彩电行业在地震中摇摆
500x375 - 36KB - JPEG

每周电视推荐:彩电行业地震中摇摆
500x375 - 87KB - JPEG

国内彩电企业采用3D显示模式摇摆不定_联合一
537x414 - 54KB - JPEG

创维32T88H型彩电画面垂直方向有锯齿波干扰
598x322 - 29KB - JPEG

@29寸彩电、摇摆机、中兴网卡·###-济南-网
3008x2000 - 877KB - JPEG
各位老师:我家一台20年前的松下电视机,型号为TC-29P20R,图像画面左右晃动,不知哪里故障,请指教。
康佳crt彩电在无信号的蓝屏时画面你好,找个问题你首先查找ABL亮度控制电路,检测他的电压是否在闪动时有
这是我录的,白色背景最严重的部分 电视内部的ABL电路或电源电路出问题了,建议找专业人员维修。
智能换板了,今日购进一21底板,一切安装完成后调整场幅至全屏.,CRT电视机换板后画面轻微抖动求助,
康佳crt彩电在无信号的蓝屏时画面尊敬的用户:您好,抱歉给您添麻烦了,根据您的反馈,可能是电视的信号源
接通后,看了一会儿电视,发现有些频道其实清晰度跟老式的CRT电视机差不多,并且在台标等角落还能看到有点
再查周围各个电容正常,这个故障依旧,附上图,请教师傅们是.,2911DF画面下部有回扫线且抖动,附图,。
但是,液晶电视并没有完全继承CRT彩电在播放动态画面时的优秀表现,不可避免的出现了动态画面“拖尾”和