
气一次回路是什么意思?二次回路是什么意思?
318x511 - 68KB - JPEG

什么是二次回路,开关柜二次回路综述--电路图
460x457 - 34KB - JPEG
新手电工常有的疑问:什么是支路、回路,什么是
300x209 - 17KB - JPEG

电气二次回路
500x715 - 41KB - JPEG

盘、柜及二次回路接线施工_其它类栏目_jdzj.c
671x476 - 151KB - JPEG

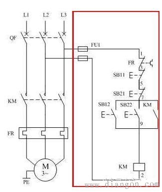
电机正反转控制二次回路原理图?
500x429 - 23KB - JPEG

电流互感器二次回路的中间抽头是什么东西? 感
499x460 - 39KB - PNG

电流互感器二次回路的中间抽头是什么东西? 感
420x339 - 25KB - JPEG
新手电工常有的疑问:什么是支路、回路,什么是
640x446 - 51KB - JPEG
最全的断路器操作箱及二次控制回路精讲 - 今日
640x480 - 51KB - JPEG

什么是二次回路,开关柜二次回路综述--电路图
800x596 - 101KB - JPEG
新手电工常有的疑问:什么是支路、回路,什么是
315x354 - 13KB - JPEG

什么是支路、回路?什么是二次回路?
325x386 - 45KB - JPEG

什么是支路、回路?什么是二次回路?
477x366 - 19KB - JPEG
新手电工常有的疑问:什么是支路、回路,什么是
450x356 - 8KB - JPEG
二次回路的解释:在电气系统中由互感器的次级绕组、测量监视仪器、继电器、自动装置等通过控制电缆联成的
由二次设备相互连接,构成对一次设备进行监测、控制、调节和保护的电气回路称为二次回路或二次接线系统。
二次回路是用来实现监测,检测,测量,保护等作用的。二次回路的定义 由二次设备互相连接,构成对一次设备
二次回路的基本知识 一:基本概念 为满足电力生产和电力系统安全经济的需要,发电厂和变电所中配置了各种
一次回路系统和二次回路系统它的可以这样来考虑,电网输电,到各个地方给用户使用。但是电网上的电是不能
展开全部 所谓的一次、二次,指的是电流互感器(一般称CT,标准叫法为TA),电压互感器(一般称PT,标准
由二次设备互相连接,构成对一次设备进行监测、控制、调节和保护的电气回路称为二次回路。是在电气系统中由