
试用回路电流法求电流I和电压源发出的功率.
705x365 - 29KB - PNG

实验八matlab支路电流法回路分析法节点电压法
141x200 - 11KB - PNG

matlab 支路电流法、回路分析法求解电压和电流
841x590 - 38KB - PNG

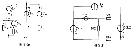
用回路电流法求解习题6-14图所示电路中的电流
307x211 - 16KB - PNG

05支路法网孔回路电流法
1080x810 - 115KB - JPEG

回路电流法原理_回路电流法方程的列写
736x692 - 39KB - JPEG

第3章之回路电流法.ppt
141x200 - 2KB - JPEG

主变压器电流回路图
560x403 - 110KB - JPEG

回路电流法原理_回路电流法方程的列写
410x244 - 16KB - JPEG
![[回路电流法]回路电流法](http://img.lookmw.cn/yuedu/170531/293968_3.jpg)
[回路电流法]回路电流法
745x686 - 73KB - JPEG

第3章之回路电流法.ppt
1152x864 - 153KB - PNG

(华南理工大学2010年考研试题)用回路电流法求
457x166 - 31KB - JPEG

10KV分段控制及信号回路接线图 - AutoCAD电
768x522 - 15KB - PNG

配电箱类-广州防爆照明配电箱主回路电流60-2
600x459 - 34KB - JPEG

用回路电流法求Ux。急_360问答
450x800 - 39KB - JPEG
回路电流法是以一组独立回路电流作为变量列写电路方程求解电路变量的方法。倘若选择基本回路作为独立回路,
以此题为例,上述三句话分别对应回路电流法解题的三个步骤,各步骤具体内容如下。第一步:“找树找回路。即
在线互动式文档分享平台,在这里,您可以和千万网友分享自己手中的文档,全文阅读其他用户的文档,同时,也
应用范围:线性电路、非线性电路 2、用支路电流法解题的一般步骤 以具体(2)、每个回路应包含一个其他回路
回路电流法的一般步骤: (1)选定l=b-(n-1)个独立回路,标明回路电流及方向;(2)对l个独立回路,以
当电路中的独立回路数少于独立结点数时,用回路电流法比较方便、方程个数较少其步骤为:(1)选取独立回路。
二、解题步骤: 标出所求各支路电流的参考例:如图所示电路,列出用支路电流法求解各支路电流的方程组。
大学电路解题 关于 节点电压法 支路回路电流法适用于回路少的电路.支路电流法列的表达式多,一般用于比较