
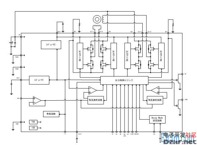
【thb6128】
680x446 - 29KB - JPEG

thb6128,深圳市艾世迈科技有限公司==www.ic3
1251x786 - 97KB - JPEG
![[图]假一赔十 正品原装THB6128&,维库电子市](http://file1.dzsc.com/product/14/03/06/1016738_151615203.jpg)
[图]假一赔十 正品原装THB6128&,维库电子市
589x424 - 74KB - JPEG

SANYO\/THB6128IC ,·\/IC,з
751x589 - 114KB - JPEG

THB6128步进机驱动芯片图片,THB6128步进机
487x419 - 17KB - JPEG

THB6128步进电机驱动器\/驱动板\/2A电流\/24\/2
800x600 - 126KB - JPEG

THB6128 两相步进电机驱动芯片-步进电机 步进
674x513 - 44KB - JPEG

THB6128 驱动器 高细分 步进电机驱动器 电路
1000x664 - 408KB - JPEG

THB6128_THB6128\/原装进口6128\/替代6128芯
800x552 - 37KB - JPEG

thb6128测试板_电子类栏目_jdzj.com
573x449 - 41KB - JPEG

高细分二相混合式步进电机驱动芯片THB6128
631x464 - 44KB - JPEG

tb6560_thb6128_6560芯片_ thb6560 - 下午,发
620x594 - 248KB - JPEG

集成电路(IC)-THB6128 步进电机驱动芯片 SSO
310x213 - 28KB - JPEG

假一赔十 正品原装THB6128 SOP30 步进电机
673x401 - 43KB - JPEG

假一赔十 正品原装THB6128 SOP30 步进电机
698x399 - 37KB - JPEG
VerilogHDL Verilog HDL•Verilog HDL•PLI•SDF VerilogHDL 是一种描述电子设计的硬件描述语言;
rt 网表是什么东西?综合的概念就是你写的是verilog代码。但是他只是代码。其实不起到任何作用,只是做了这
在线互动式文档分享平台,在这里,您可以和千万网友分享自己手中的文档,全文阅读其他用户的文档,同时,也
将各个模块的输入输出连起来 example: mokuai_1 MO_1 clk_1(clk), reset_1(reset), a_1(a),
Verilog的150个经典设计实例 ldb6362513|2018-06-26|暂无评价|0|0|简介|Verilog的150个经典设计实例
同时,OVI推出2.0版本的Verilong HDL规范,IEEE接收将OVI的Verilog HDL2.0作为IEEE标准的提案。10、1995年
例:通过 Verilog HDL 的任务调用实现一个 4 比特全加器。module EXAMPLE(A,B,CIN,S,COUT);input[3:0]A,B;
原 D型触发器的verilog代码和Testbench的编写 dengshuai_super 阅读数:11394 2016-09-14 September 14,
Verilog HDL是一种硬件描述语言(HDL:Hardware Description Language),以文本形式来描述数字系统硬件的