
海尔智能电视开创新闻三网直播新时代--彭城
300x225 - 50KB - JPEG

MOOKA模卡 U70H3 70寸4K超高清32G电视价
491x368 - 36KB - JPEG

海尔智能电视开创新闻 BR\/ 三网直播新时代-
350x550 - 65KB - JPEG

金秋炬惠 海尔顺逛商城狂想节燃爆22天-IT168
670x320 - 91KB - JPEG

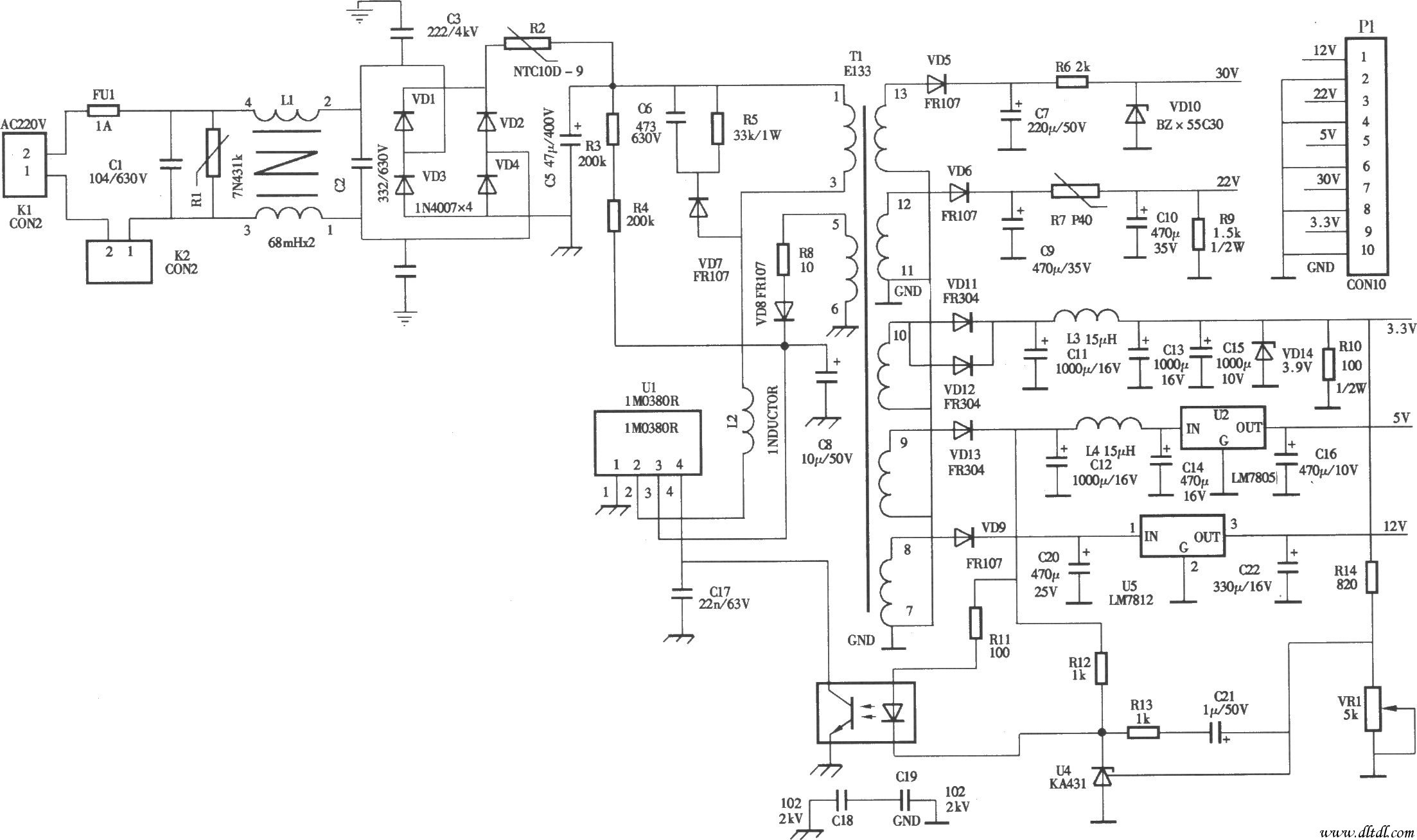
中大WS-9618型数字卫星电视接收机电源电路
2206x1308 - 250KB - JPEG

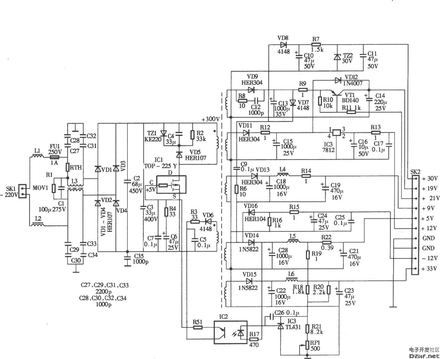
DSD660型村村通数字卫星电视接收机电源电
1540x1259 - 204KB - JPEG

泰州机顶盒下载||泰州南站有什么好玩||网络机顶
359x269 - 4KB - JPEG

室内机顶盒怎么连接到电视上!
343x262 - 16KB - JPEG

【海尔网络机顶盒】最新最全海尔网络机顶盒搭
220x124 - 8KB - JPEG

电视机banner源文件__其他模板_ web界面设计
948x337 - 79KB - JPEG

电视天线-户户通 35CM直径卫星天线锅 中九电
310x310 - 40KB - JPEG

PW-08型卫星接收机电源电路图
600x419 - 40KB - JPEG

【免定位】_免定位推荐_品牌_价格_第1页 - 淘
196x210 - 12KB - JPEG
电视机 的功能,同时又能与网络相连目前海尔智能电视也受到很多人的欢迎,那么海尔智能电视怎么看电视直播?
今天我们就针对海尔智能电视,给大家推荐五款最好用的直播软件,大家可以根据自己的喜好程度进行下载。
据影视快搜了解:不知道该如何直接通过海尔电视进行电视直播的收看,都可以通过影视快搜这款电视直播软件
海尔模卡电视怎么看直播,操作方法,假期身边有人入手了这款电视,虽说是小家里没有装数字电视怎么看直播呢
感谢向企业知道提问需要通过电脑端然后到当贝应用市场里面下载安装影视快搜,电视家,小微直播,电视猫,看
展开全部 如果海尔网络电视机的系统是安卓智能系统,支持安装第三方软件,则可以给电视机安装电视直播软件
请教怎么用海信电视通过网络看中央海信电器主要从事电视机、数字电视广播接收设备及信息网络终端产品的研究
我家用的是海尔网络电视,但不知道3d电视怎么看,求各位大神求助,谢谢 为什么我家的海尔电视的应用电视家
它到底该如何操作呢,今天我们将比如说我们可以在电视上观看网络电影、热门电视剧,也可以通过安装一些插件