四氟化硅

四氟化硅、7783-61-1 CAS查询、四氟化硅

四氟化硅、7783-61-1 CAS查询、四氟化硅

200x200 - 3KB - GIF

四氟化硅

四氟化硅

482x415 - 27KB - JPEG

四氟化硅

四氟化硅

258x198 - 9KB - JPEG

四氟化硅

四氟化硅

259x369 - 14KB - JPEG

四氟化硅

四氟化硅

258x198 - 8KB - JPEG

四氟化硅

四氟化硅

258x198 - 9KB - JPEG

四氟化硅

四氟化硅

331x263 - 5KB - PNG

四氟化硅的化学反应

四氟化硅的化学反应

500x283 - 4KB - GIF

四氟化硅

四氟化硅

268x268 - 6KB - PNG

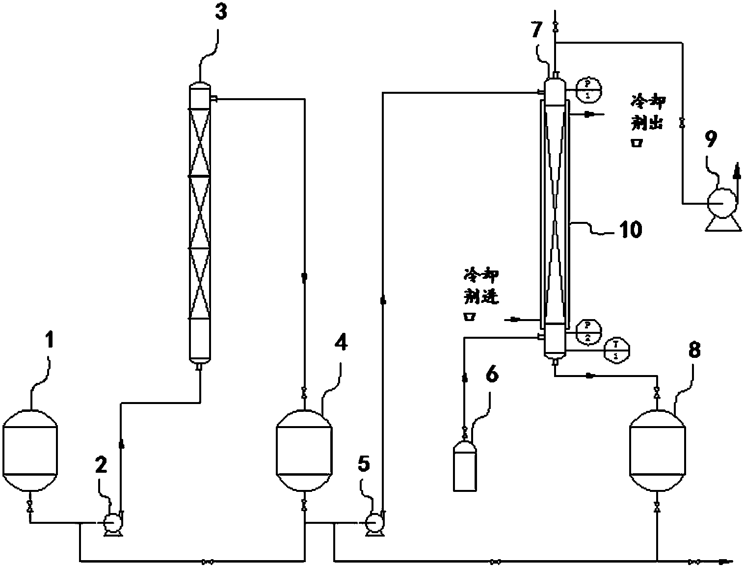
四氟化硅络合物制备方法及其所采用的设备

四氟化硅络合物制备方法及其所采用的设备

1516x1155 - 8KB - PNG

智能型四氟化硅气体传感器,SIF4气体传感

智能型四氟化硅气体传感器,SIF4气体传感

800x556 - 258KB - JPEG

四氟化硅

四氟化硅

300x300 - 8KB - JPEG

四氟化硅吸收塔报价

四氟化硅吸收塔报价

240x180 - 10KB - JPEG

四氟化硅的主要用途及危害

四氟化硅的主要用途及危害

300x300 - 7KB - JPEG

【一呼百应】进口电子级四氟化硅5N、

【一呼百应】进口电子级四氟化硅5N、

220x220 - 7KB - JPEG

大家都在看

相关专题