无线电能传输

无线电能传输相关图片

新观点新学说学术沙龙文集57无线电能传输
350x350 - 17KB - JPEG

用光载无线电传输为5G通信铺路
500x290 - 23KB - JPEG

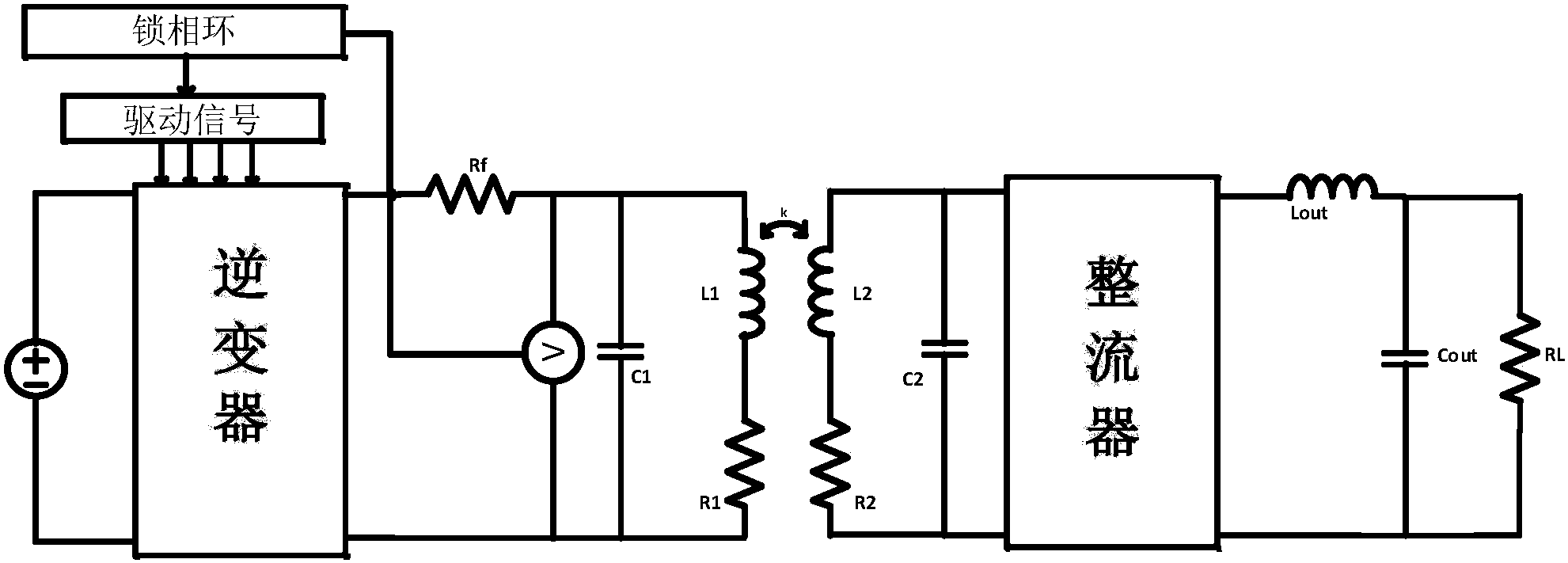
基于跳频控制的无线电能传输系统的参数优化
534x283 - 33KB - JPEG

无线电能传输系统的制作方法
1000x351 - 24KB - GIF

基于非线性拓扑结构的无线电能传输系统的
813x388 - 15KB - GIF

一种天线和无线电传输装置的制作方法
1000x943 - 43KB - GIF

无线电能传输技术与应用PPT
1080x810 - 78KB - JPEG

水下无线电能传输技术的研究热点
377x525 - 34KB - JPEG

多负载磁耦合谐振式无线电能传输特性分析
902x537 - 45KB - JPEG

一种PT对称的无线电能传输电路及其搭建
1981x711 - 8KB - PNG

电动汽车无线充电技术哪家强?多数在路上
644x463 - 79KB - JPEG

无线电能传输系统以及无线电能传输控制
1954x682 - 11KB - PNG

基于负电阻的串联串联型无线电能传输系统
1000x469 - 26KB - GIF

一种基于无线电能传输的电源管理系统及
889x1000 - 63KB - GIF

三维无线电能传输线圈磁场的仿真分析
341x241 - 23KB - JPEG

无线电能传输相关问答

暂无相关问答

大家都在看

相关专题