igd

igd相关图片

IGD
224x225 - 17KB - PNG

Mature IgD
685x475 - 130KB - PNG

1771-IGD
584x261 - 44KB - JPEG

Mature IgD
685x877 - 242KB - PNG

Mature IgD
685x913 - 150KB - PNG

IGD2391
799x1056 - 76KB - PNG

Mature IgD
685x920 - 341KB - PNG

igd10iumd32.dll文件
464x644 - 16KB - PNG

IGD反转世代距离-多目标优化评价指标概念
449x406 - 66KB - PNG

IGD Display Switch
893x299 - 86KB - PNG

IGD Events_苹果IGD EventsiPhone版\/iPad
320x568 - 47KB - JPEG

igd10idpp32.dll 官方版
431x424 - 52KB - PNG

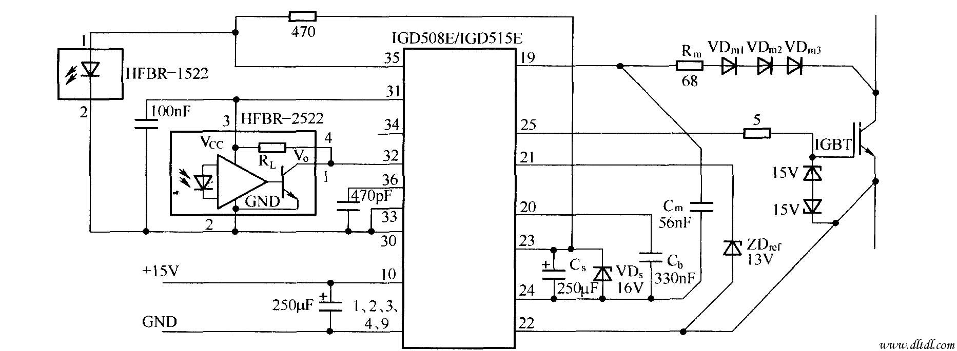
IGD508E\/IGD515E应用电路_电路图-华强
1865x685 - 139KB - JPEG

igd12umd32.dll V1.0 正式版
309x338 - 51KB - PNG

Mature IgD
685x576 - 99KB - PNG

igd相关问答

IgM,IgG,IgE,IgA,IgD分别代表什么?作用是什么?
答:最低0.27元开通文库会员,查看完整内容> 原发布者:醉若潇湘 从高到低给你排:IgG>IgA>IgM>IgD>IgE。IgA为粘膜性的,IgD很少,功能不清,是成熟B细胞标志,IgE可抗寄
igd11dxva64.dll是什么意思?
答:igd11dxva64.dll 是一个后缀为DLL的WINDOWS的文件。
更改bios核显应选择PEG还是IGD?
答:在BIOS设置中,集成显卡选择IGD。IGD:系统首先初始化igd(内置图形显示,设置集成显卡) PEG:系统首先初始化peg(pci express图形卡) PCI:系统首先初始化pci接口图形卡特别说
梅捷a88主板IGD Video是什么意思?
答:Video表示显卡启动的优先级为 内置核芯显卡 优先 ​IGD:优先从内置核显启动输出信号到显示器,显示器应该接到主板输出接口上 PEG:优先从PCIE独立显卡启动输
微星主板peg和igd区别
答:而是使用系统的一部分主内存作为显存。 二、特点不同1、PEG:具备单独的显存,不占用系统内存,而且技术上领先于集成显卡,能够提供更好的显示效果和运行性能。2、IGD:芯
select active video下面的选项IGD/PCI/PEG/AUTO是什么
答:你好,AUTO 自动,IGD集成显卡,PCI,应该是现在最常用的PCI-E显卡,而这个PEG,感觉并不等同于PCI-E,她是ATI,也就是后来的AMD出的显卡,据称她是原生的PEG显示核心,其意义
在BIOS设置中集成显卡该选那个值IGD、PEG、PCI它们分别是
答:如果您是集成显卡,应该选第一个:IGD -------- [igd] 系统首先初始化igd(内置图形显示) [peg] 系统首先初始化peg(pci express图形卡) [pci] 系统首先初始化pci接口图形卡
请问电脑BIOS里的"IGD""PED""PCI/IGD""PCI/PE
答:Express接口图形显卡。在软件层面上兼容的PCI技术和设备,支持PCI设备和内存模组的初始化。"PCI/IGD"指的是系统首先初始化PCI接口图形卡,若无则用IGD接口图形显示集成

大家都在看

相关专题