
简单功放在家做 10级技工手把手教你0起步
750x497 - 39KB - JPEG
图哪位可以帮我画pcb,很简单的功放电路图
684x482 - 60KB - JPEG

谁能给我个50w的功放电路图呀
500x357 - 18KB - JPEG

做了个简单的小功放,效果还可以。 - 第2页
566x439 - 28KB - JPEG

简单功放在家做 10级技工手把手教你0起步
750x497 - 50KB - JPEG

求最简单音频功放电路图_360问答
600x471 - 29KB - JPEG

LM4781单电源功放电路
680x505 - 87KB - JPEG

手上有一堆3AD6求一简单好用的功放电路
803x567 - 51KB - JPEG

简单功放在家做 10级技工手把手教你0起步
632x600 - 55KB - JPEG

图】简易的20W单端纯甲类功放电路图音频
504x271 - 52KB - JPEG

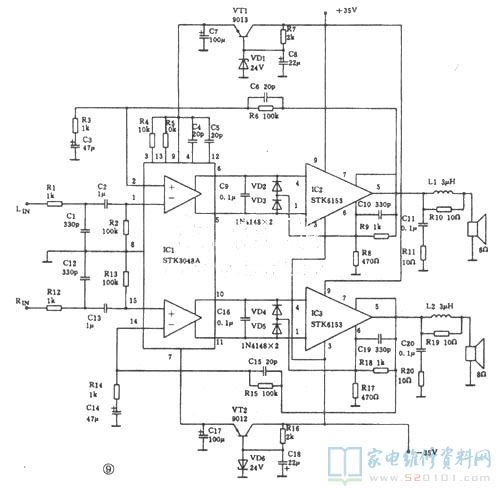
一款双100W功放电路图- 家电维修资料网
500x489 - 34KB - JPEG
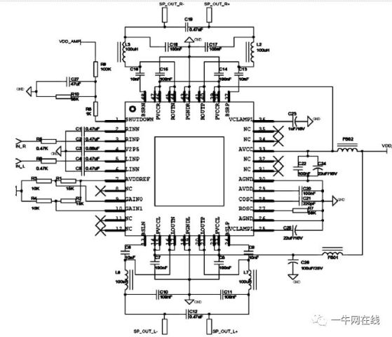
数字功放电路设计
559x480 - 35KB - JPEG

ocl立体声功放电路图
600x275 - 45KB - JPEG

小功率功放电路图
526x461 - 63KB - JPEG

最简单的单差分OCL功放电路图
616x433 - 93KB - JPEG