电磁炉维修电路板图

电磁炉维修电路板图相关图片

看图学会电磁炉故障维修
1626x1080 - 143KB - JPEG

电磁炉万能板电源电脑板改装超薄电路板
800x800 - 50KB - JPEG

万能触摸电磁炉维修板
960x663 - 396KB - JPEG

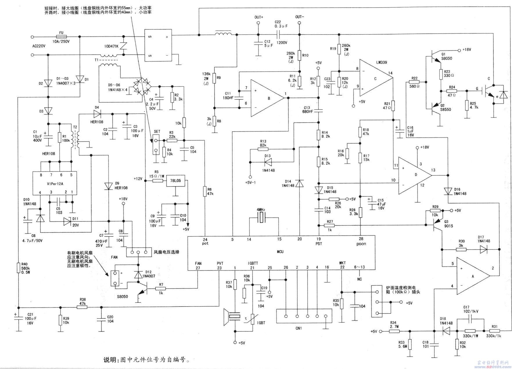
电磁炉万能电路板工作原理(图)_家电维修
1763x1270 - 224KB - JPEG

电磁炉维修电路板烧IGBT或保险丝_云南
562x454 - 34KB - JPEG

T6\/528数码-4位大功率电磁炉控制板主板 .
730x730 - 114KB - JPEG

电磁炉电路板故障维修技巧_检查
640x372 - 54KB - JPEG

电磁炉电路板图
498x368 - 36KB - JPEG

电磁炉万能电路板工作原理(图) - 家电维修
440x221 - 16KB - JPEG

没有电路图怎么维修电路板
498x306 - 20KB - JPEG

电磁炉的维护
448x252 - 27KB - JPEG

苏泊尔电磁炉维修T0301电路图-电子电路图
411x235 - 33KB - JPEG

维修电_燃气热水器维修图解_电磁炉维修
563x424 - 163KB - JPEG

看图学会电磁炉故障维修
1410x821 - 180KB - JPEG

看图学会电磁炉故障维修
1764x900 - 221KB - JPEG

电磁炉维修电路板图相关问答

暂无相关问答

大家都在看

相关专题