等离子切割机原理图

等离子切割机原理图相关图片

KDG空气等离子切割机
526x502 - 21KB - JPEG

apc100型等离子弧切割机工作原理
816x306 - 43KB - JPEG

等离子切割机原理图
661x422 - 140KB - JPEG

等离子切割机原理图及等离子切割机使用注意
700x456 - 100KB - JPEG

一种非高频等离子切割机维弧装置的制作方法
797x1000 - 50KB - GIF

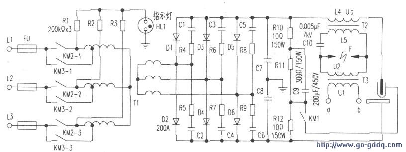
等离子切割机原理图
613x406 - 139KB - JPEG

跪求同昌变压器的等离子切割机主电路原理图
500x315 - 28KB - JPEG

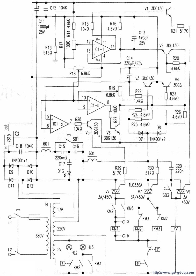
apc100型等离子弧切割机工作原理
811x1141 - 135KB - JPEG

【正泰空气等离子弧切割机 LGK8系列空气
770x452 - 83KB - JPEG

100的等离子切割机维弧电流断断续续
500x329 - 41KB - JPEG

等离子切割机电气原理图_等离子切割机
610x432 - 40KB - JPEG

滤筒除尘器在数控等离子切割机烟尘治理中
700x476 - 42KB - JPEG

唐山松下全数字控制YP-060PF等离子切割机
750x678 - 146KB - JPEG

树莓派B+机械的详细电路原理图免费下载-
709x515 - 53KB - PNG

滤筒除尘器在数控等离子切割机烟尘治理中
700x476 - 31KB - JPEG

等离子切割机原理图相关问答

暂无相关问答

大家都在看

相关专题