
罗马数字罗马人是怎么读的啊? VI是读SAI 而IV
559x525 - 49KB - JPEG
读音规则测验题IV详解9分钟
448x252 - 23KB - JPEG

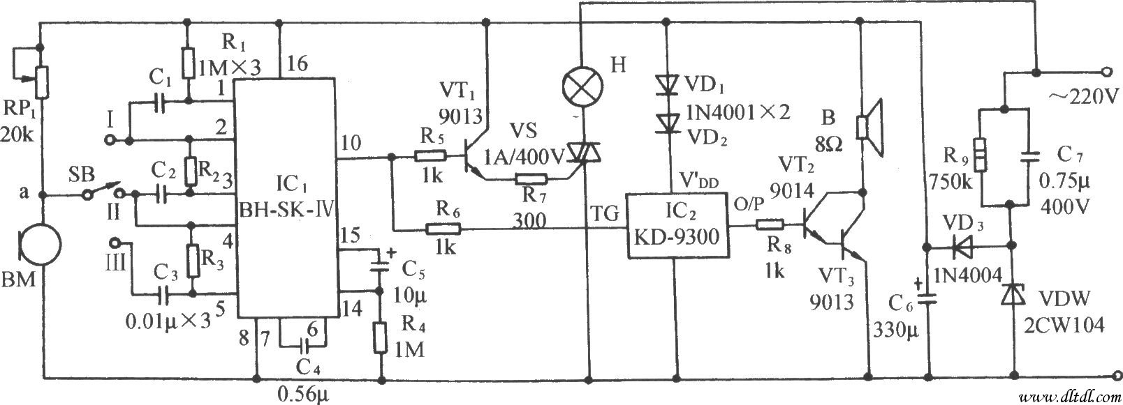
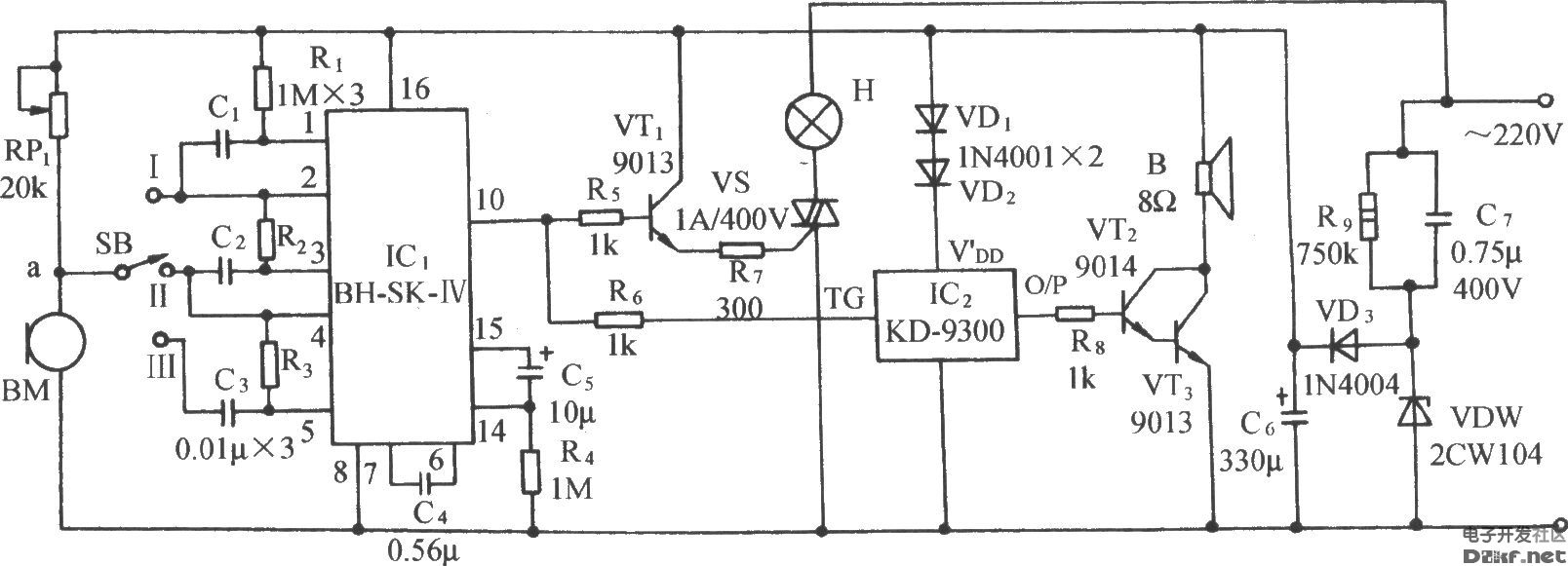
【图】用SK-IV的声控自动照明灯伴乐曲发声电
1608x581 - 203KB - PNG

用SK-IV的声控自动照明灯伴乐曲发声电路
1608x581 - 129KB - JPEG

用SK-IV的声控自动照明灯伴乐曲发声电路_电
1608x581 - 115KB - JPEG

之间的变化:据此回答下列问题:(1)Ⅰ.Ⅱ.Ⅲ.IV四
375x284 - 15KB - PNG
甄子丹工作室发声:就甄子丹出席辱华品牌活动
640x856 - 37KB - JPEG

下列加点字的读音有误的一组是( ) A.妊娠 肇事
319x227 - 17KB - JPEG

24个厦门冷知识(IV),看到最后我震惊了…
756x586 - 25KB - JPEG

节炎;变应性关节炎,allergic+arthritis,音标,读音,
550x561 - 90KB - JPEG

Samnium的解释和发音 《德语助手》德汉-汉德
300x357 - 13KB - PNG

自然拼读与音标课程(展示课)1
642x216 - 32KB - JPEG

六年级下学期期中考试试卷 Microsoft Word 文
850x1093 - 125KB - JPEG

Mallampati分级
903x586 - 342KB - PNG

山东省济南市长清区五校2017-2018学年八年级
993x1404 - 734KB - PNG