PWM开关电源原理设计 专业文档 专业文档是百度文库认证用户/机构上传的专业性文档,文库VIP用户或购买专业文档下载特权礼包的其他会员用户可用专业文档下载特权免费
一般来讲,正激型开关电源主电路可用图1所示的降压斩波器简化表示,Ug表示控制电路的PWM输出驱动信号。根据选用不同的PWM反馈控制模式,电路中的输入电压Uin、输出电
西安电子科技大学硕士学位论文一种电流模式控制PWM开关电源的设计姓名:任学峰申请学位级别:硕士专业:微电子学与固体电子学指导教师:杨银堂0080101摘要摘要随着电源
PWM开关电源 1第1章绪论随着全球对能源问题的重视,电子产品的耗能问题将愈来愈突出,如何降低其待机功耗,提高供电效率成为一个急待解决的问题。传统的线性稳压电源虽
PWM开关电源的设计 柠檬青虫上传于2014-05-14|暂无评价|0|0|暂无简介|举报 阅读已结束,如果下载本文需要使用0下载券 下载 想免费下载更多文档?立即加入VIP 免下载券下载
脉宽调制PWM是开关型稳压电源中的术语。这是按稳压的控制方式分类的,除了PWM型,还有PFM型和PWM、PFM混合型。脉宽宽度调制式(PWM)开关型稳压电路是在控制电
开关电源以小型、轻量和高效率的特点被广泛应用几乎所有的电子设备,是当今电子信息产业飞速发展不可缺少的一种电源方式。 pwm开关电源,图解开
PWM开关电源 动和辅助电源给控制器电路(IC)和功率开关驱动电路提供工作电压,有时把这个电路叫自启动电路。由于这部分电路所有输入和输出的功率都属于损耗,因此在保
另外一点非常重要的是,除了PWM开关电源,有很多线性电源(LDO),其补偿网络在芯片外部的,也要做类似的环路增益的波特图测试,从而确保其稳定性

基于Verilog-A的一种电流模PWM开关电源的大
1547x1980 - 837KB - PNG

钲铭科SM7028 待机电源PWM 控制方式的功率
359x326 - 25KB - JPEG

XN1202 高性能电流模式PWM开关电源控制器
700x492 - 241KB - PNG

XN1202 高性能电流模式PWM开关电源控制器
700x492 - 241KB - PNG

PWM开关电源集成控制IC-UC3842工作原理
350x239 - 22KB - JPEG

【图】高耐压PWM三端开关电源电路图及其解
800x465 - 44KB - JPEG

开关电源原理图及工作模式
565x374 - 24KB - JPEG

当前模式PWM开关电源,OB2358AP.绿色环保,
296x262 - 9KB - JPEG

基于压降型PWM开关电源的建模仿真和减少传
794x1123 - 25KB - PNG

【LW-3030KD 香港龙威 开关电源 PWM开关稳
1396x1920 - 425KB - JPEG

【AZ7500EP-E1 PWM开关电源控制芯片【代
310x286 - 17KB - JPEG

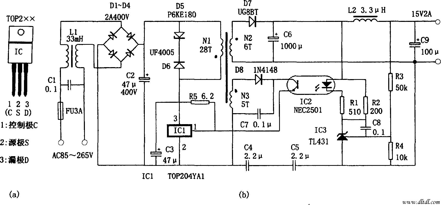
用三端PWM开关电源IC制成的开关电源
1730x806 - 177KB - JPEG

10 60W高压启动超低待机功耗PWM开关电源A
800x736 - 110KB - JPEG

PWM开关电源IC XN1203DP图片_高清图_细节
800x552 - 130KB - JPEG

详解PWM开关稳压电源尖峰干扰_IC芯片_元器
270x234 - 46KB - JPEG