
特价微电脑时控开关KG316T时间控制器
500x348 - 36KB - JPEG

家用时间控制器
1257x893 - 93KB - JPEG
可编程序控制器原理及应用 上海应用技术学院
141x200 - 6KB - JPEG

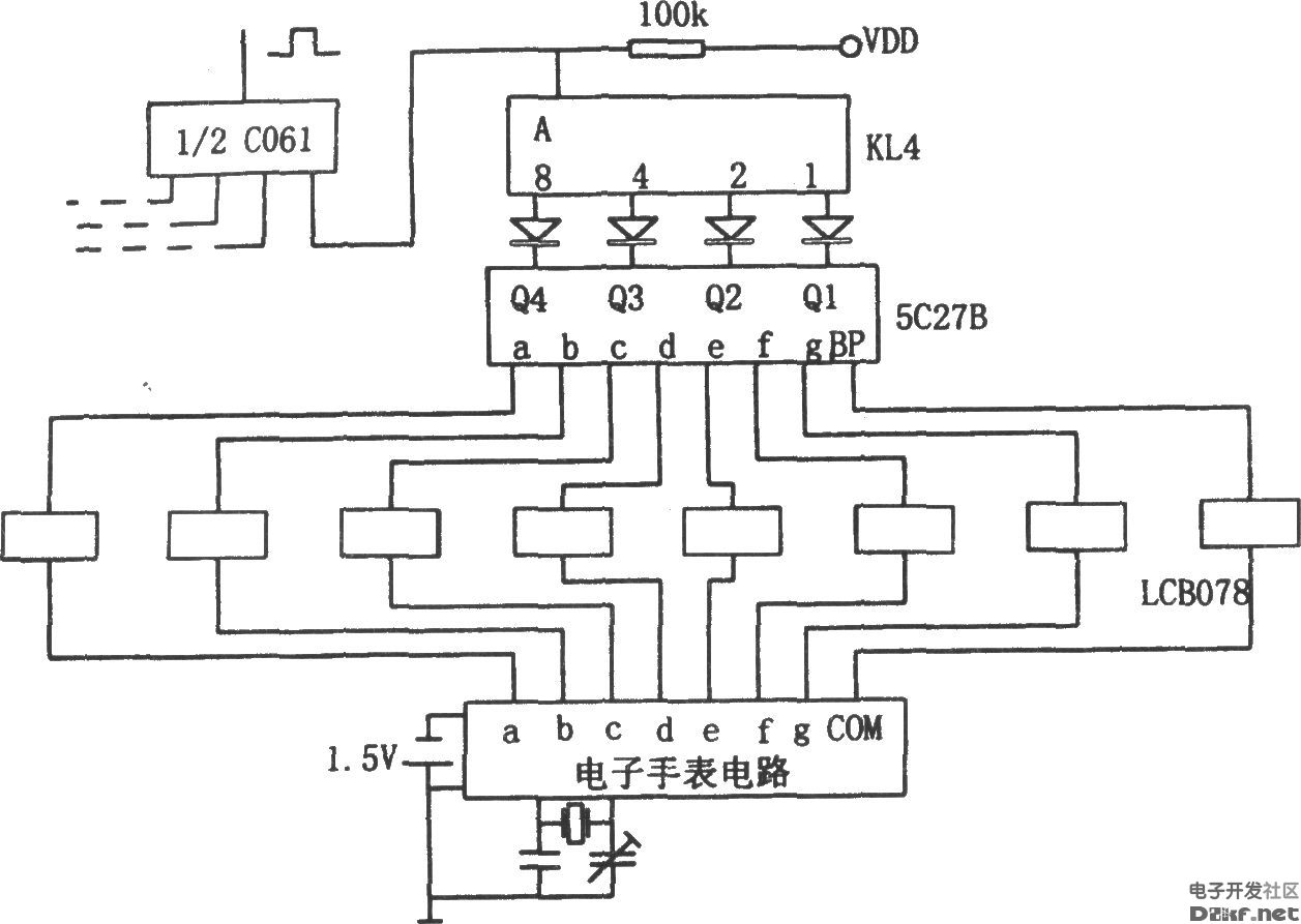
【图】时间程序控制器电路原理图其它电路图
603x312 - 122KB - JPEG

可编程作息时间控制器设计单片机原理.doc
993x1404 - 45KB - PNG

时间控制器
165x220 - 9KB - JPEG

电源定时控制器电路图详解 - 控制\/MCU
730x339 - 91KB - PNG

可编程作息时间控制器设计稿单片机原理课程设
794x1123 - 19KB - PNG

中国人民电器 电源定时器 KG316T 循环定时开
680x344 - 27KB - JPEG

路灯经纬控制仪_路灯控制器开关经纬仪厂家直
500x240 - 67KB - JPEG

电动车有刷控制器原理图
853x600 - 111KB - JPEG

KG316T微电脑时控开关 时间控制器 记时器 欧
310x310 - 13KB - JPEG

控制器电机_德力西jzf-10正反转时间接通电机正
871x494 - 55KB - JPEG

时间程序控制器电路原理图_电路图之家
603x312 - 55KB - PNG
![西门子[SIEMENS]时间控制器(定时器)SEH62.1](http://file.hi1718.com/productsimage/2013/7/9/201379104752765.jpg)
西门子[SIEMENS]时间控制器(定时器)SEH62.1
310x231 - 13KB - JPEG
中国安防网为您找到相关时间控制器是什么、时间控制器注意事项、时间控制器维护、时间控制器原理等相关文章。你还可以找到相关时间控制器使用方法等技术知识。 华强
中国安防网为您找到相关智能时间控制器是什么、智能时间控制器注意事项、智能时间控制器维护、智能时间控制器原理等相关文章。你还可以找到相关智能时间控制器使用
一般是通电开始计时,计时时间到了常开触点闭合,常闭触点弹开。断电后归位。
扬州大学能源与动力工程学院课程设计报告题目:可编程作息时间控制器设计课程:单片机原理及应用课程设计专业:电气工程及其自动化第一部分任务书 《单片机原理及应用》
最新智能照明时间控制器原理图介绍信息 智能家居行业的中国力量LUME照明控制器体验 OFweek智能家居网讯:CES-2015国际消费电子展如每年一度的饕餮盛宴,让观众饱览
控制器是按照预定顺序改变主电路或控制电路的接线和改变电路中电阻值来控制电动机 时间程序控制器电路原理图 出处:awey发布于:2011-08-29
通过调整电容的充放电时间,改变振荡频率,输出延时信号晶振产生反转的时基信号,运用计数器来控制时间
通调整电容充放电间改变振荡频率输延信号图图" class="ikqb_img_alink">
时间控制器是通过线圈吸合来达到控制空气辅助常开、常闭触点的通断工作。线圈需要电能的。接触器吸合有声音是线圈的铁心接触和主触点的接触发出来的。
目前大多数作息时间控制器大多数是定点打铃、人工校时,为了更切近生活,更符合人们 1.工作原理 系统包括:SPCE061A单片机、无线接收模块、