自动上水器电热水壶拆卸方法未解决问题等待您来回答奇虎360旗下最大互动问答社区
自动上水茶壶拆卸图解来自于舒适100网平台上百万用户的经验与心得交流。在这里您 电水壶是家庭中必不可少的电器,而随着科学技术的不断发展,自动上水电热水壶成为了
土巴兔装修问答平台为网友提供各种自动上水电热水壶原理和维修方法谁能说一说?问题解答。土巴兔装修问答汇聚 600万业主的装修经验和智慧,迅速解决装修困惑 我的土巴
中国供应商(cn.china.cn)蒋建平为广东河源供应1.2L智能数显恒温自动上水电热水壶电水 2.壶内配有不锈钢过滤网,自由拆卸,清洗方便。 底座 1.造型简洁实用,功能齐全。 2. 可让
谁知道自动上水电热水壶哪种好推荐回答:现在市面上卖的比较好一点的是:美的,松下,格力,飞利浦还有西门子是相对比较不错的,这几个品牌质量比较好一点的,价格相对也是相对
佛山市卓奇电器有限公司为广东佛山厂家直销款青花瓷面板自动上水陶瓷电热水壶批量 2、壶内配有不锈钢过滤网,自由拆卸,清洗方便。 底 座 1、造型简洁实用,功能齐全。 2、
本页信息为蒋建平为您提供的 供应组合套装自动上水中国节玻璃面板电热水壶热水壶电 2.壶内配有不锈钢过滤网,自由拆卸,清洗方便。 底座 1.造型简洁实用,功能齐全。 2. 可让
自动上水电热壶推荐回答:1.电水壶坏了但是电源开关正常若电源开关正常,则故障多发生在保温开关。首先看双金属片的簧片是否压着开关触杆,若压得过紧,可用镊子将其向上弯
自动上水电热水壶安装及使用方法 请选择搜索范围 自动上水电热水壶安装及使用方法 双鱼座的鱼 本站是提供个人知识管理的网络存储空间,所有内容均由用户发布,不代表本站

批发12V自动上水电机水泵加水器电热水壶茶具
460x259 - 70KB - JPEG

【心好A38自动上水电热水壶茶艺炉茶具套装批
750x579 - 158KB - JPEG

Royalstar 荣事达 GM10A自动上水电热水壶不锈
300x300 - 16KB - JPEG

电热水壶配件抽水泵_自动抽水电热水壶_电水
750x597 - 204KB - JPEG

荣事达TCE10-06A 水泵 自动上水水壶通用水泵
640x426 - 65KB - JPEG
![[自动上水电热水壶维修]《闫珍》11---修水渠(上](http://oss.p.t262.com/cpic/86/68/49f0b090ea5f831f845464d6267d6886.jpg)
[自动上水电热水壶维修]《闫珍》11---修水渠(上
822x617 - 75KB - JPEG

自动上水茶炉摄影图__数码家电_生活百科_摄
1024x897 - 93KB - JPEG

电热水壶_自动上水电热水壶套_电水壶包邮_ 黑
310x310 - 33KB - JPEG

!细节决定品质 6款百元以下电水壶横评
500x533 - 45KB - JPEG

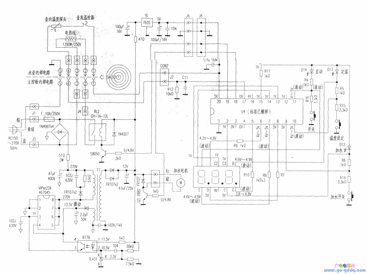
荣事达TC10-135陶瓷式电热水壶电路原理分析
1077x496 - 94KB - JPEG

新款糖果色欧美女士菱格纹单肩女包可拆卸手挽
230x230 - 70KB - JPEG

华宝DRP-36RA自动电热水瓶电路图
793x435 - 205KB - JPEG

体式电水壶电路
899x574 - 75KB - JPEG

此电热水壶的+开关+电源芯片u2(
1246x929 - 155KB - JPEG

电热开水瓶的规格及基本结构原理
635x440 - 73KB - JPEG