单 片 机 和 P L C 的 区 别 guojun1616上传于2012-05-17 (高于99%的文档) PLC 与单片机的区别 要搞清楚单片机与 PLC 的异同,首先得明确什幺是单片机,什幺是 PLC 。对此
比如温控仪,电视遥控器,豆浆机控制器,微波炉,智能玩具 。 3.不同厂家的PLC有相同的 4.单片机开发成本低,一个单片机十几块到几十块,上百不等,但开发起来,麻烦。PLC 的价
设计PLC的主要工作就是开发解释梯形图语言的程序。现在的单片机完全可以取代PLC。以前的单片机由于稳定性和抗电磁干扰能力比较的弱和PLC
单片机定义: 单片机是指一个集成在一块芯片上的完整计算机系统。尽管他的大部分功能集成在一块小芯片上,但是它具有一个完整计算机所需要的大部分部件:CPU、内存、内部和外部总线系统,目前大部分还会具有外存。同时集成诸如通讯接口、定时器,实时时钟等外围设备。而现在最强大的单片机系统甚至可以将声音、图像、网络、复杂的输入输出系统集成在一块芯片上。 单片机也被称为微控制器(Microcontroler),是因为它最早被用在工业控制领域。单片机由芯片内仅有CPU的专用处理器发展而来。最早的设计理念是通过将大量外围设备和CPU集成在一个芯片中,使计算机系统更小,更容易集成进复杂的而对提及要求严格的控制设备当中。INTEL的Z80是最早按照这种思想设计出的处理器,从此以后,单片机和专用处理器的发展便分道扬镳。 早期的单片机都是8位或4位的。其中最成功的是INTEL的8031,因为简单可靠而性能不错获得了很大的好评。此后在8031上发展出了MCS51系列单片机系统。基于这一系统的单片机系统直到现在还在广泛使用。随着工业控制领域要求的提高,开始出现了16位单片机,但因为性价比不理想并未得到很广泛的应用。9
单片机与PLC技术有那些区别,这是很多做过plc的人,要开始学单片机的的时候向我提出的一个问题,在这里给大家简单的比较一下他们的异同。 单片机定义:顾名思义集成在一个
设计PLC的主要工作就是开发解释梯形图语言的程序。现在的单片机完全可以取代PLC。以前的单片机由于稳定性和抗电磁干扰能力比较的弱和PLC是没有办法相比的现在的
2.对于量大的配套项目,采用单片机系统具有成本低、效益高的优点,但这要有相当的研发力量和行业经验才能使系统稳定、可接地运行。最好的方法

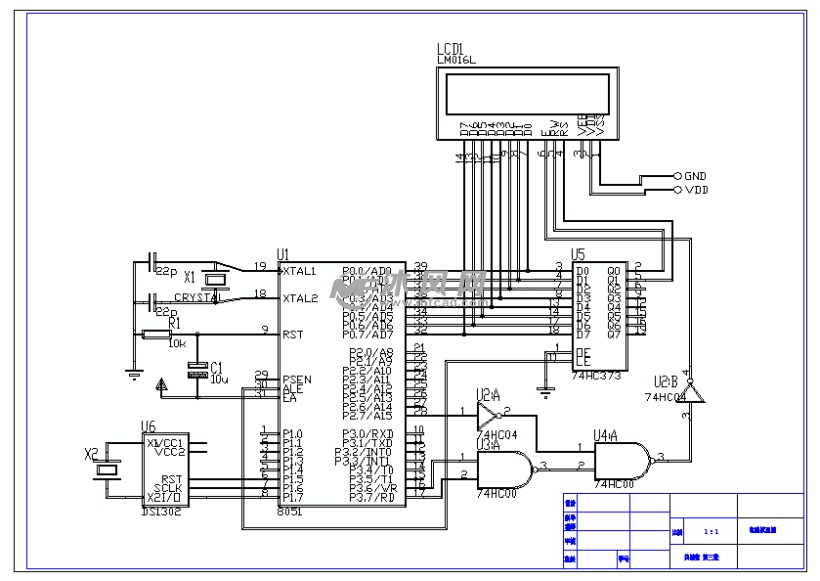
基于PLC与单片机差别-电子电路图,电子技术资
729x610 - 72KB - JPEG

无锡单片机与PLC编程有什么区别啊_无锡上元
400x212 - 14KB - JPEG

单片机与PLC编程的区别,你应该知道
215x300 - 10KB - JPEG

【PLC与单片机的区别徐州单片机培训】-徐州
223x384 - 16KB - JPEG

【1路继电器模块5V一路驱动模块PLC单片机控
800x736 - 75KB - JPEG

感应门的PLC控制设计 - PLC单片机电气控制
820x579 - 76KB - JPEG

单片机与PLC编程的区别,你应该知道_科技频道
291x220 - 11KB - JPEG

材料自动分拣系统的PLC设计 - PLC单片机电气
820x579 - 109KB - JPEG

单片机电子日历设计 - PLC单片机电气控制
820x581 - 93KB - JPEG

基于单片机的水温自动控制设计 - PLC单片机电
820x579 - 97KB - JPEG

基于三菱plc的喷泉控制系统设计 - PLC单片机
820x546 - 284KB - PNG

PLC控制四层电梯运行方案设计 - PLC单片机电
820x413 - 110KB - PNG

plc和单片机有什么区别 - 控制\/MCU - 电子发烧
869x555 - 993KB - PNG

DIY 12MT评估板 自制PLC DIY PLC 单片机
310x211 - 28KB - JPEG

PLC动力配电柜设计 - PLC单片机电气控制
594x420 - 51KB - JPEG