《中国弯曲压形模具市场现状分析及前景预测报告》主要包括弯曲压形模具市场宏观环境、弯曲压形模具行业总体发展、弯曲压形模具市场运行现状、弯曲压形模具进出口状
2014-2020年中国弯曲压形模具行业市场深度研究及发展策略预测报告 全部 产业 报告 数据 行情 投诉 投诉 当前位置:网站首页研究报告2014-2020年中国弯曲压形模具行业
第九章 2018-2020年中国弯钩弯曲模冲压教学模具行业发展前景预测分析 第一节 2018-2020年中国弯钩弯曲模冲压教学模具产品发展趋势预测分析 一、弯钩弯曲模冲压教学模
全球及中国弯曲模行业现状调查研究及发 展趋势分析预测报告( 2016 年版) 报告编号: 1928067 中国产业调研网 www.cir.cn 1234567890ABCDEFGHIJKLMNabcdefghijklmn!@
并在此基础上对折弯模具的发展前景做出了科学的预测,最后对折弯模具投资潜力进行了 2017-2022年我国折弯模具市场趋势总结 二、2017-2022年我国折弯模具发展趋势分析
缺少的组成部分,也是中国工业快速发展的基础。并且指出了模具行业要走现代化的发展道 路。对模具行业的发展现状以及以后的发展方向指明了道路。 关键词:模具工业;模具
精密模具的精度一般为5μm,现在已达2-3μm。不久,1μm精度的模具将上市。随着零件微型化及精度要求的提高,有些模具的加工精度公差就要求在1μm以下,这就要求发展超
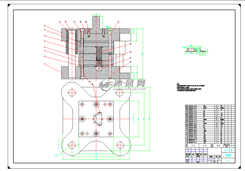
简介:分上下两个部分,它由凸、凹模,定位、卸料、导向及紧固件等组成,但弯曲模具还有它的特点,如凸、凹模除
阿里巴巴商友圈,为您展示现代折弯机模具材质及未来发展趋势,折弯机模具材质& & & & 折弯机模具是含有 Mo、Cr等合金元素较多的合金工具& 钢。热处理后的硬度为58-62H

【五金冲模,弯曲模具设计制造】
1024x768 - 173KB - JPEG

简易冲压弯曲模模具 - 其他冲压模具图纸
820x689 - 221KB - PNG

弹性夹弯曲模具设计(弯角件 ) - 模具(塑料,五金
820x573 - 152KB - PNG

弯曲轨道成型模具设计模型 - 工业用品模具图纸
820x620 - 146KB - JPEG

U型槽弯曲模具设计模型 - 工业用品模具图纸下
820x530 - 149KB - JPEG

支架弯曲件级进模具设计 - 模具(塑料,五金)
750x550 - 139KB - JPEG

旧弯曲模具进口清关代理_旧模具
828x621 - 97KB - JPEG

金属薄板的弯曲模具设计模型
820x336 - 79KB - PNG

弯曲板弯曲模具设计 - 模具(塑料,五金)
550x750 - 45KB - JPEG

弯曲模具\/成型模具
740x617 - 93KB - JPEG

底座冲孔落料弯曲模具的设计(含全套CAD图纸
841x594 - 47KB - PNG

(挡片)钣金剪切和弯曲的模具设计模型 - 工业用
674x568 - 99KB - PNG

【门框铁线弯曲模具】
280x210 - 9KB - JPEG

透明斜锲滑块式弯曲模课程教学模具
600x450 - 17KB - JPEG

弯曲板弯曲模具设计 - 模具(塑料,五金)
750x550 - 53KB - JPEG