在线互动式文档分享平台,在这里,您可以和千万网友分享自己手中的文档,全文阅读其他用户的文档,同时,也
CD4541中文资料pdf 引脚功能 CD4541/CC4541 是一个可编程分频器,它为十六级二分频器。当脉冲源产生的脉冲
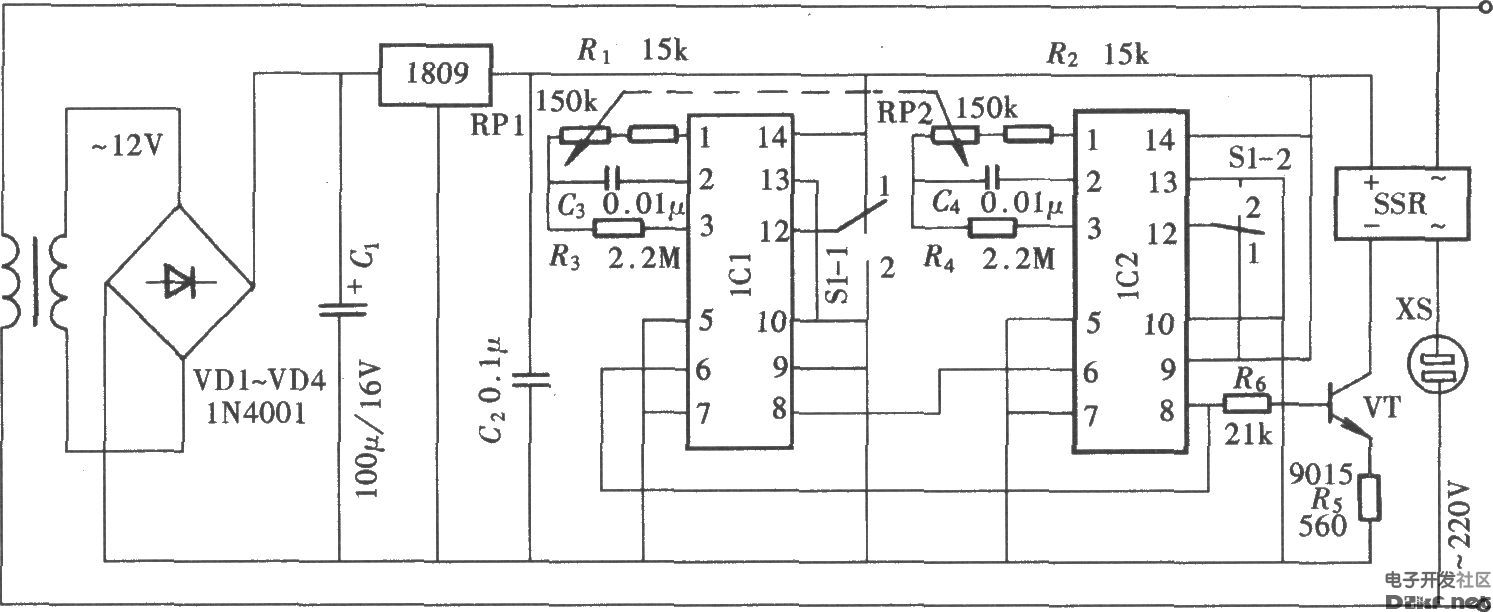
CD4541是采用CMOS 工艺制造的可编程定时集成 电路.IC1、IC2为CD4541。
天眼查为您提供4541工商信息查询、注册信息查询、企业信用报告、财务报表查询、电话地址查询、招聘信息等
CD4541是一个可编程分频器,为十六级二分频器,主要的功能把脉冲源产生的脉冲信号进行,脉冲源输出的频率较高
中关村在线(ZOL.COM.CN)提供研华ADAM-4541工控设备最新报价,同时包括研华ADAM-4541图片、研华ADAM-4541
采用14脚双列直插式塑料封装形式,CD4541是采用 CMOS 工艺制造的可编程定时 集成电路.电源 电压 范围是3V
1.4541对应国内什么牌号1.4541 1.4541产品表面及规格: 1.4541 钢板厚度:可供厚度:0.3-60mm;钢板宽幅:
CD4541中文资料,比率表引脚图-应用电路-引脚功能-真值表一般其频率较高,这样就需要分频把高频脉冲变换成

由CD4541组成的电扇模拟自然风控制电路
1493x612 - 106KB - JPEG

【供100%原装HEF4541BT HEF4541BP 专营
670x502 - 75KB - JPEG

【【ST意法正品】HCF4541BE 可编程定时器
600x450 - 62KB - JPEG

1.2T也不错 试驾全新朗逸两厢200TSI
744x496 - 98KB - JPEG

100%正品2SC4541芯片丝印KD-深圳其他IC
500x375 - 18KB - JPEG

CD4541BE 全新原装正品现货图片_高清图_细
1024x707 - 136KB - JPEG

德莎tesa4541正品图片,德莎tesa4541正品图片
680x481 - 30KB - JPEG

集成电路(IC)-供应CD4541BM96贴片集成电路
1024x768 - 162KB - JPEG

TLC4541ID TLC4541I TLC4541 SOP8 集成电
392x358 - 32KB - JPEG

研华ADAM-4541 多膜光纤到RS-232\/422\/485转
730x1024 - 203KB - JPEG

可直拍 直插 CD4541BE CD4541 DIP-14 可编
800x800 - 132KB - JPEG

【2SC4541 TOSHIBA主营IC ,模块】价格,厂家
280x210 - 7KB - JPEG

诚信经营 CD4541BM96 TI\/德州 SOP-14 逻辑计
800x800 - 257KB - JPEG

科宝莱元件_科宝莱元件商城 HCF4541BE 全新
400x400 - 82KB - JPEG

【集成电路 CD4541BM96】
280x210 - 10KB - JPEG