
章丘市德发塔机配件超市 配电箱产品列表 - 00
134x140 - 8KB - JPEG

塔吊配电箱电路图 - 电路图分享 电工论坛
600x537 - 170KB - PNG

华夏塔吊电路
300x329 - 15KB - JPEG

塔吊-徐工塔吊QTZ63(5510)--阿里巴巴采购平台
500x375 - 23KB - JPEG

配电箱_配电箱供应商_供应塔吊配电箱_配电箱
125x167 - 5KB - JPEG

塔机配电箱施耐德 塔吊控制柜正泰25#40#63塔
640x480 - 54KB - JPEG

济南章丘大量生产塔吊驾驶室---茂李庆江图片,
800x600 - 91KB - JPEG

配电箱布线图_配电箱布线图大全免费下载_土
610x432 - 59KB - JPEG

佛山市桓基电气设备有限公司-250a塔吊开关箱
1001x768 - 73KB - JPEG

变频恒压供水一拖三原理一次二次线路图_cad
610x432 - 27KB - JPEG

塔吊垮砸断万伏高压线 武昌卓豹路大面积停电
400x266 - 22KB - JPEG

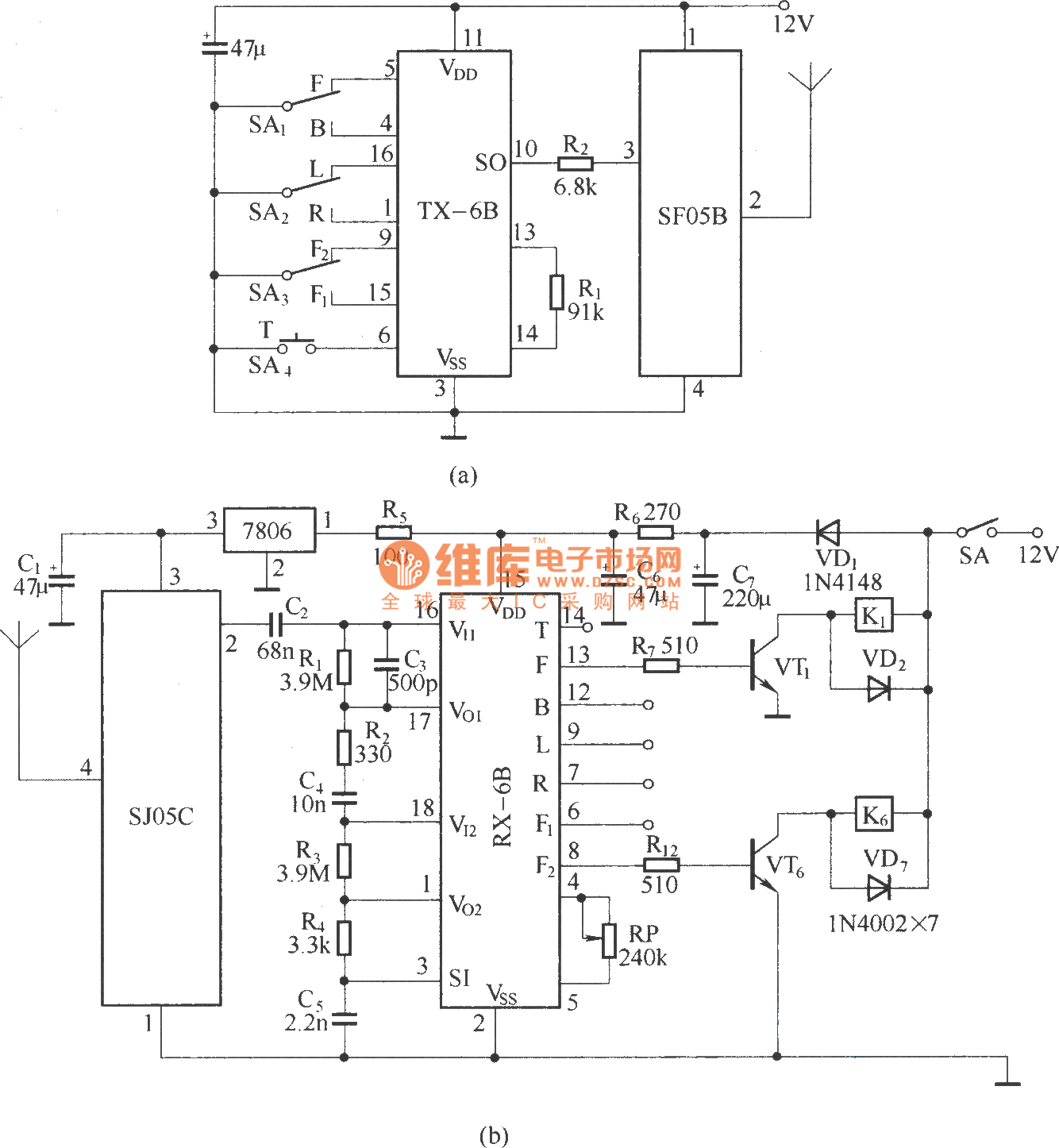
塔吊无线遥控电路(SF05B\/SJ05C)
1334x1446 - 263KB - PNG

小型塔吊专用箱
310x187 - 35KB - JPEG

独家爆料:探秘南充万科金润华府工地施工进度
550x367 - 38KB - JPEG

建筑工地临时电箱,各种临时电箱,塔吊电梯开关
310x207 - 13KB - JPEG
本专题为土木在线塔吊配电箱线路图专题,全部内容来自与土木在线图纸资料库精心选择与塔吊配电箱线路图相关
马可波罗网(makepolo.com)提供{塔吊配电箱接线图 塔吊配电箱规范},产品详情:{品牌、型号、电流类型、
塔吊配电箱电路图,电工学习网 “塔吊”是塔式起重机的简称,它是以标准节接高,用来起吊建筑
塔吊配电箱实物接线图是什么?解决方案1:1、塔吊配电箱实物接线图如图所示:2、塔吊:塔式起重机(tower
“塔吊”看似简单,但它的电路并不简单。电原理的六大特点是:1、总起 接触器 有自锁,其余接触器不自锁。2
塔吊配电箱线路图知识来自于造价通云知平台上百万建设工程行业专业人士的经验分享及心得交流,了解更多塔吊
课程详情:本课程利用某一住宅配电箱的系统图,对图纸进行校对,从进线-总开关-照明导线-卫生间照明、插座-
塔吊的设备电路图是随产品说明书在注册 造价通即可以了解到相关塔吊配电箱线路图最新的精华知识、热门