
进线联络柜连锁典型原理图_CO土木在线(原网
558x418 - 72KB - JPEG

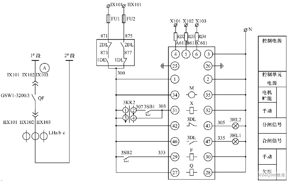
联络柜控制电路图
941x589 - 151KB - JPEG

变压器售后服务类知识-powerpoint演示文档下
141x200 - 4KB - JPEG

变压器售后服务类知识.ppt
960x720 - 63KB - JPEG

食品包装袋制袋机|食品包装袋制袋机供应商|高
600x800 - 80KB - JPEG

低压柜电气联锁三台三锁两匙电气连锁图纸_C
560x403 - 25KB - JPEG

两进线一联络框架断路器二次控制原理图_cad
610x432 - 48KB - JPEG

农村变电站继电保护、安全自动装置及二次回路
540x337 - 19KB - JPEG

变压器微机保护监控二次电路图
560x403 - 160KB - JPEG

进线柜二次原理图
560x403 - 57KB - JPEG

低压开关柜_CO土木在线(原网易土木在线)
870x600 - 267KB - JPEG

变配电房设备布置平面
560x403 - 94KB - JPEG
![[本期专题]广州城市配电网现状及发展-电气_电](http://www1.shejis.com/uploadfile/dq/uploadfile/200903/20090304032245867.jpg)
[本期专题]广州城市配电网现状及发展-电气_电
524x238 - 14KB - JPEG

发电机均可通过各种联络实现:120kw带动全部
500x389 - 24KB - JPEG

变压器二次回路接线图 - AutoCAD电气原理图纸
820x409 - 81KB - PNG
低压配电柜在双路供电的情况下联络柜可以合闸吗?低压配电柜在双路供电的情况下联络柜可以合闸吗?满足以下
380V低压联络柜原理图及控制方式 1、手动分合闸:将选择开关3SH1打到手动位置,通过按钮分合闸,满足母联柜
一般是三个断路器允许“三投二”,电气闭锁至于控制回路的分合闸电源是怎样切换的问题,可以在联络柜控制…
展开全部 不知道你说的是低压还是高压开关柜。停电的断路器必须分闸断开断路器,而且摇出断路器,使本体与
确保低压联络柜操作正确。 2. 适用范围 号变压器低压侧总开关的前刀开关,并在操作杆悬挂“禁止合闸”的
低压联络柜来电后如何让它自动合闸 风雨无阻123066 初级电工 9 送TA礼物
低压柜双电源联络开关具体怎么操作啊?只要记住同时最多只能两个合闸,任意两个,不要三个同时合闸!
一进线和一母联允许同时合闸。一般来讲,不允许二进线和一母联同时合闸。这样会引起变压器输出的叠加,如果
也有合闸/分闸,怎样操作答:低压联络柜的作用,主要是实现两条回路的互相连接功能,以保证供电的可靠性和