
美的空调变频外机主板 电源板电脑板KFR-35G
300x206 - 16KB - JPEG

美的_空调主板_空调配件_原装 变频美的空调外
460x348 - 79KB - JPEG

美的1.5P变频空调外机主板维修 变频板E52 E
249x250 - 78KB - PNG

变频主板026131070830138225W8263C外机
960x1280 - 106KB - JPEG
美的变频空调外机风扇不转是怎么回事
400x247 - 11KB - JPEG

美的变频空调外机主板坏了修一下多少钱 ,如果
593x800 - 72KB - JPEG

变频主板026131070830138225W8263C外机
800x600 - 77KB - JPEG

用细节见证品质 拆解科龙1.5P变频空调(全文)
500x667 - 75KB - JPEG

室外机藏何玄机 强力拆解奥克斯变频空调_家电
500x333 - 80KB - JPEG

格力变频空调外机通讯电路 -广电电器网-www.
829x302 - 49KB - JPEG

海信KFR-26GW\/BP型变频空调不制冷维修
2029x1212 - 215KB - JPEG

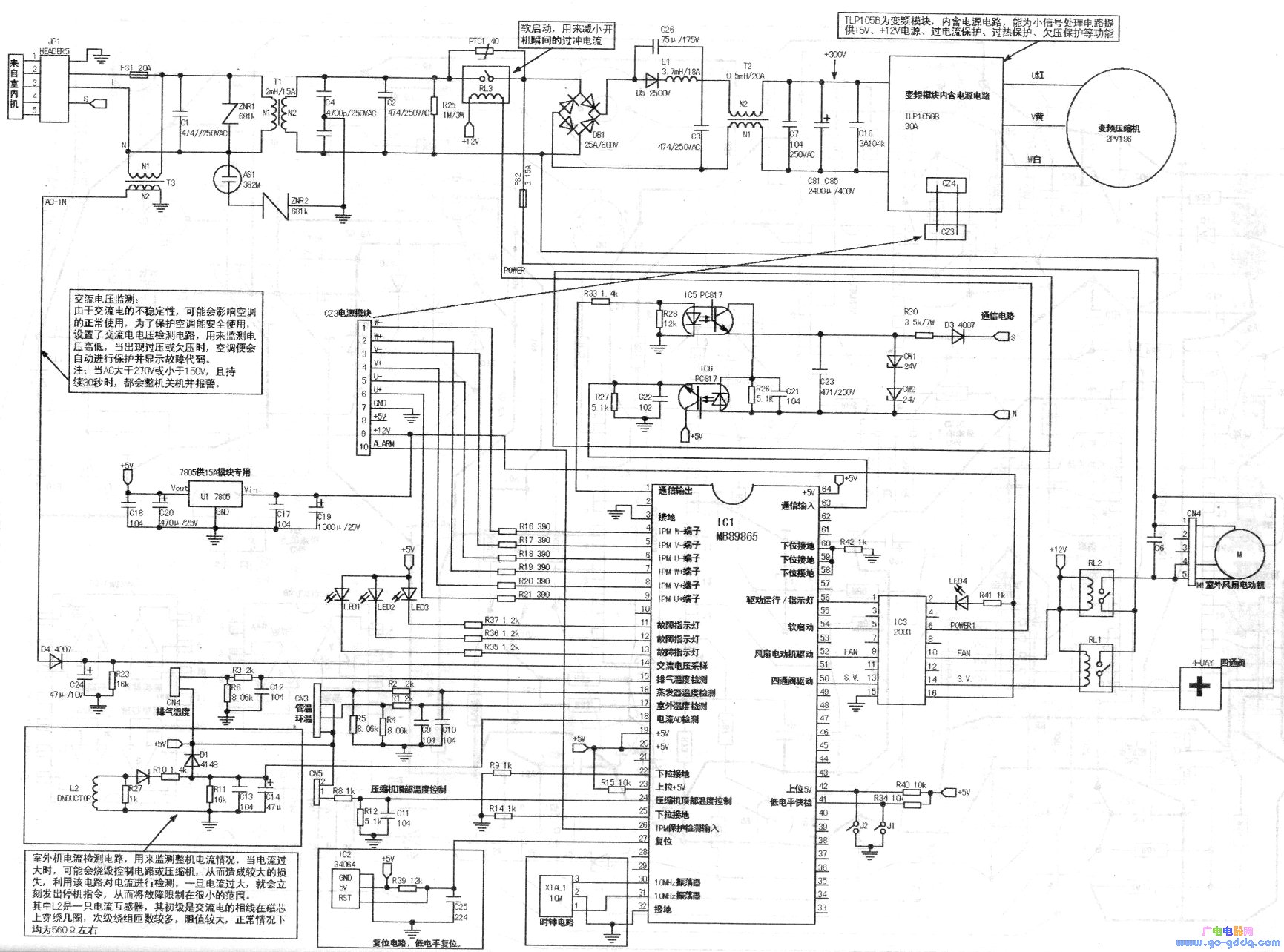
美的KFR-50LW\/F2BPY变频空调室外机控制电
1731x1284 - 384KB - JPEG

美的空调变频板_美的空调变频板【价格 图片】
230x166 - 13KB - JPEG
![[2015爆款]全新美的变频空调外机主板 KFR-35](http://www.hainanparadise.com/images/TB18IyfIFXXXXX.XVXXXXXXXXXX_!!0-item_pic.jpg_400x400.jpg)
[2015爆款]全新美的变频空调外机主板 KFR-35
400x252 - 57KB - JPEG

美的变频空调外机电脑板 主板 KFR-35GW\/BP
300x252 - 132KB - PNG
今天接修一台变频空调 用户说不无报警 测量外机进线AC220V正常 信号线有变化.,美的变频空调外机主板维修
室内主板坏了 回收空调,选特纳回收,高价回收家具美的变频空调,室外机主板坏了,如何判断是哪个件坏了?
在家换变频空调外机主板,学习实战维修详细教程. {follow8f4c4ef1e9f6f02c67d5bd9617482a49?'已订阅':'订阅
变频空调室外机(旧款)原理图 四.变频空调室外机(新款)原理图 四.变频空调室外4、E1室内外机通信故障维修:
有网友碰到过这样的美的变频空调外机主板坏了修一下多少钱,如果说自己把美的变频空调,室外机主板坏了,
美的变频空调外机主板坏了,找个修空调师傅给修下!留下联系方式 六年维修免费 有正规手续的话,建议你还是
前天接修一台美的变频空调,内机正常有正常的220输出,信号有40V的跳动外心里打退堂鼓这时机主说几个师傅看
接朋友送来的美的变频空调外机板若干块抱着试试看的心态着手修理。但是可以作为其它美的变频空调带小板维修