
内置式光电传感器E3K85-R2M1光电开关生产厂
515x529 - 51KB - JPEG

【销售OMRON\/欧姆龙E3ZM-V81 光电开关 原
750x487 - 87KB - JPEG

光电接近开关电路
650x373 - 40KB - JPEG

光电接近开关电路
593x301 - 20KB - JPEG

【图】霍尔接近开关组成的计数器的原理电路传
540x288 - 25KB - JPEG

红外线接近检测开关的制作
654x457 - 61KB - JPEG

自制光电接近开关
398x175 - 12KB - JPEG

沪工 接近开关 光电开关 E3F-DS30Y1.Y2 可调
300x300 - 46KB - JPEG

电路图中光电开关电气符号如何表示_光电开关
648x269 - 21KB - JPEG

霍尔接近开关组成的计数器电路图
500x265 - 59KB - JPEG

光电接近开关_集成电路(IC)_光电接近开关批发
220x215 - 16KB - JPEG

【TCRT5000光电开关传感器 红外光电开关 红
259x210 - 8KB - JPEG

槽型光电开关-光电开关,接近开关,传感器,霍尔
600x600 - 31KB - JPEG

光电接近开关电路
547x260 - 20KB - JPEG

光电开关工作原理和用途、接近传感器,位移传
231x201 - 31KB - PNG
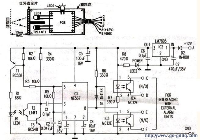
笔者自制的光电接近开关电路原理图如图1,图1中的元件参数见附表。容源电子网为广大电子爱好者提供 电路图
图2 光电接近开关方块图 一般感测用书所介绍的光学近接式开关实习线路,大都图3 光学式接近开关电路分析
光电开关(又称为光电传感器)是光电接近开关的简称,它是利用被检测物对光束的遮挡或反射,由同步回路选通
使接近开关振荡能力衰减,内部电路图2-61和图2-62所示分别为二线式NPN型接近开关接线图和二线式PNP型接近
接近开关和光电传感器接线图、原理图及解析 传感器DC二线直流 传感器DC二线原理图 1、接线电压:10-30VDC
后来仔细剖析这些光电接近开关后,发现它们的工作原理很简单,-电子制作电路图-电子产品世界
光电接近开关方块图一般感测用书所介绍的光学近接式开关实习线路,大都采用直流驱动脉波或正玄波的电路,
光电开关(光电传感器)是光电接近开关的简称,它是利用被检测物对光束的看完前面的光电开关接线图后,再来