
旭振电气数字电位器PDW-1--准确可靠寿命长,
400x249 - 15KB - JPEG

【PDW-1数字电位器】PDW-1数字电位器价格
300x300 - 9KB - JPEG

【数字电位器 PDW-1图片】数字电位器 PDW
400x289 - 15KB - JPEG

【旭振电气数字电位器PDW-1--准确可靠寿命长
280x201 - 7KB - JPEG

PDW-1数字电位器 其他低压电器
300x300 - 9KB - JPEG

PDW-1数字电位器 其他低压电器
300x300 - 11KB - JPEG

【数字电位器】价格|批发|厂家_商务联盟网
240x223 - 7KB - JPEG

数字电位器(PDW-1)批发 - 中国制造网PLC
150x108 - 5KB - JPEG

电气供应高精度长寿命的数字电位器PDW-1】
270x194 - 7KB - JPEG

数字电位器(PDW-1)
150x108 - 3KB - JPEG

1\/2\/4通道数字电位器AD8400\/AD8402\/AD840
496x462 - 63KB - PNG

数字电位器 - 深圳市旭振电气技术有限公司 -产
480x310 - 38KB - JPEG

数字电位器
271x280 - 14KB - JPEG

数字电位器的研究及应用
328x457 - 22KB - JPEG

利用数字电位器实现电压-电阻转换_2008年-电
503x443 - 30KB - JPEG
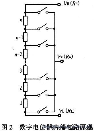
PDW-1数字电位器 一、概述及主要功能 在电力系统励磁和工业控制装置中,大量使用可控整流装置。目前国内
PDW-1数字电位器使用说明书—所有资料文档均为本人悉心收集,全部是文档中的精品,绝对值得下载收藏!
PDW-1 数字电位器一,数字电位器,PDW1,电位器,电位器接法 PDW-1 数字电位器一,数字电位器,PDW1,电位器,电位
PDW-1数字电位器 KHBLJLLZ. 分享于 2010-06-09 12:20:3.0 PDW-1数字电位器 文档格式:.doc 文档页数:5页
在线互动式文档分享平台,在这里,您可以和千万网友分享自己手中的文档,全文阅读其他用户的文档,同时,也
PDW-1数字电位器 数语外教辅资. 分享于 2011-11-07 10:58:2.99 PDW-1数字电位器 文档格式:.doc 文档页数:
文档格式:.pdf 文档页数PDW-1数字电位器 tan7299 分享于 2013-04-04 18:53:0 数字电位器 更多>>相关文档
PDW-1数字电位器是由深圳市旭振电气技术有限公司提供,主要功能特点:1、产品小巧精致,接线简单,安装方便
欢迎前来中国供应商(www.china.cn)了解深圳国电旭振电气技术有限公司发布的供应PDW-1数字电位器价格,供应