
康佳LC37GS80C液晶彩电黑屏,伴音正常-广
1921x1237 - 381KB - JPEG

岗厦电视维修康佳创维液晶电视机不开机黑屏无
500x375 - 45KB - JPEG

康佳液晶电视机没图像,没声音,黑屏等故障维修
350x303 - 17KB - JPEG

福田康佳液晶电视机LC26DT68不开机黑屏指示
500x281 - 53KB - JPEG

福田康佳液晶电视机LC26DT68不开机黑屏指示
500x375 - 94KB - JPEG

岗厦电视维修康佳创维液晶电视机不开机黑屏无
640x479 - 69KB - JPEG

康佳液晶电视突然黑屏,没图象声音指示灯也不
790x600 - 38KB - JPEG

康佳t2976k彩电(tda9383机芯)黑屏
431x340 - 18KB - JPEG

福田区康佳液晶电视机LC26DT68不开机黑屏维
500x281 - 53KB - JPEG

福田区康佳液晶电视机LC26DT68不开机黑屏维
500x375 - 84KB - JPEG

我家的康佳LED47R5500PDF电视机开机后会
1017x1136 - 65KB - JPEG

康佳T29661型彩电开机后荧屏放出刺眼蓝光,几
544x602 - 47KB - JPEG

康佳P2902I高清彩电黑屏
1087x876 - 134KB - JPEG

康佳电视机黑屏有声音故障的分析和检修办法
781x466 - 362KB - PNG

康佳电视左下角黑屏_≡ 家 电 类 ≡_家用电器
960x720 - 113KB - JPEG
电视机黑屏是电视的一种故障现象,也是最常见的,表现为无图像。电视黑屏一般主要有两种情况;一是没有图像
接下来就看万师傅小编介绍的康佳电视机黑屏的维修处理方法。表现为按面板时按键无任何反应,指示灯不亮。
欢迎加入康佳电视固件救砖刷机,群号码:305229018,也有可能是系统问题,刷个固件就能解决的。这个群能够
我的康佳液晶电视无法开机黑屏了该怎么处理 3.如果没雪花、黑屏和没声音就要看电源指示灯亮不亮,如果亮那么
康佳液晶电视出现黑屏的可能原因: 检查电视机的信号源输入是否有问题导致白屏,如电视机和有线电视、机顶盒
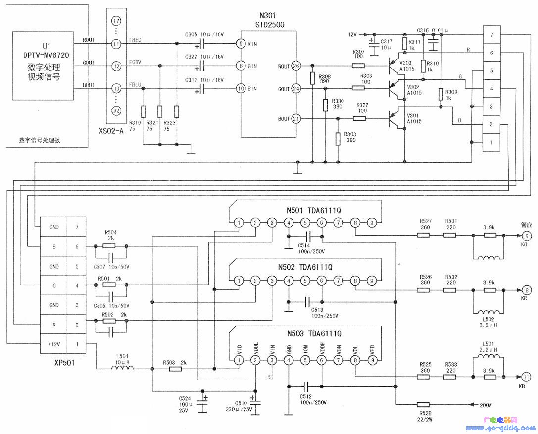
康佳LC-TM2008型液晶彩电黑屏 出现此类故障时,首先断电再通电,检测12V输出电压是否正常。若正常,则检测
表现为按面板时按键无任何反应,康佳液晶电视机黑屏的可能原因:1、液晶电视内部的屏驱动电路有虚焊造成的
康佳电视机开机画面后就一直黑屏怎么搞,解决方案1:这是康佳电视的通病,没别的办法只有返厂维修。