
电动机实际应用技巧\/黄海平
500x784 - 57KB - JPEG

电磁调速电机是
535x607 - 78KB - JPEG

供应【优质】DK-2,DK-2A,DK-2B 电机调速控制器
828x862 - 209KB - JPEG

【供应IGBT 直流斩波调速电机车控制器】
153x210 - 7KB - JPEG

基于AVR单片机实现的直流电机PWM调速控制
573x224 - 42KB - PNG

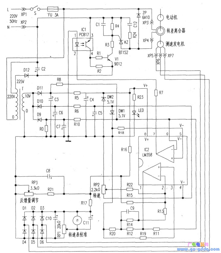
JD1A-40电动机电磁调速控制器电路原理分析
732x836 - 105KB - JPEG

小型直流电机闭环调速系统PID控制器设计-电子
474x251 - 35KB - PNG

直流调速板_制袋机直流调速板,直流调速板,直
1920x1440 - 300KB - JPEG

电磁调速电动机控制器原理图分析 - 电工技术
732x836 - 108KB - JPEG

全新正品热卖电机调速器 JD1A-40 电磁调速电
600x588 - 49KB - JPEG

直流电机PWM调速控制器的实现-电子电路图,电
433x237 - 16KB - JPEG

电磁调速电机控制器
350x526 - 40KB - JPEG

淘宝网微型电机调速器产品排行-单相电机调速
200x200 - 28KB - JPEG

【单相交流电机变频器 调速控制器】
280x210 - 8KB - JPEG

【图】电磁调速控制电路图控制电路 电路图 维
1024x696 - 464KB - JPEG
US52单相电机无级调速器原理图 1、电源过零点脉冲采样部分,R26、其工作原理同滑差电机调速盒电路相仿。
在线互动式文档分享平台,在这里,您可以和千万网友分享自己手中的文档,全文阅读其他用户的文档,同时,也
电动机调速电路-该电路具有简单、容易制作等特点,可用于小型单相交流电动机的转速控制。
双速电机高低速调速控制电路 一、双速电动机的变极调速原理 双速电动机在车床、铣床、镗床等中都有较多应用
电机额定电压是12V的,我准备用1020型(DC12v24v电压通用型)调速器、工作原理:是通过改变输出方波的占空比使
本文探讨的是双速电机的工作原理下图是双速电动机三角形变双星形的控制原理图,当按下起动按钮SB2,主电路
图21-5接触器控制双速电动机的电路图 线路工作原理如下:先合上电源开关QS。形低速启动运转: 控制原理