
stc12c5a60s2开发板_stc12c5a60s2最小系统_
1024x768 - 176KB - JPEG

stc单片机芯片_stc12c5a60s2芯片_stc12c5a6
800x800 - 192KB - JPEG

单片机STC12C5A60S2简介 - 电子元器件基础
418x329 - 40KB - JPEG

代理全新原装STC 单片机STC12C5A60S2
600x600 - 23KB - JPEG

单片机STC12C5A60S2+-+电子元器件基础知识
614x461 - 67KB - JPEG

求教STC 12C5A60S2和89C51单片机方面的问
600x331 - 62KB - JPEG

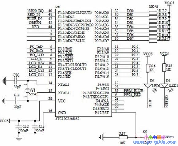
基于STC12C5A60S2 单片机的植物智能精确补
580x477 - 64KB - JPEG

stc12c5a60s2开发板_stc12c5a60s2单片机_st
1024x768 - 309KB - JPEG

单片机STC12C5A60S2简介_引脚图及功能_内
543x392 - 154KB - PNG

stc12c5a60s2开发板_stc12c5a60s2单片机_st
960x720 - 96KB - JPEG

DIP-40 全新原装 STC12C5A60S2-35I-PDIP40
304x291 - 9KB - JPEG

基于STC12C5A60S2的可控电动扳手控制器中
933x670 - 169KB - JPEG

基于STC12C5A60S2与PID算法的数控电源
377x421 - 27KB - JPEG

stc12c5a60s2开发板_stc12c5a60s2最小系统_
791x597 - 48KB - JPEG

代理全新原装STC 单片机STC12C5A60S2
600x600 - 13KB - JPEG
STC12C5A60S2系列单片机是宏晶科技生产的单时钟/机器周期(1T)的单片机。它是高速/低功耗/超强抗干扰的新
STC12C5A60S2系列单片机是宏晶科技生产的单时钟/机器周期(1T)的单片机。它是高速/低功耗/超强抗干扰的新
STC12C5A60S2是STC生产的单时钟/机器周期(1T)的单片机,是高速、低功耗、超强抗干扰的新一代8051单片机,
STC12C5A60S2系列1T8051单片机 网址:www.MCU-Memory.com 技术支持:13922805190 从网上下载样品
STC12C5A60S2 系列单片机总体介绍. 8 1.1 STC12C5A60S2 系列单片机简介 8 1.2 STC12C5A60S2 系列单片机的
在线互动式文档分享平台,在这里,您可以和千万网友分享自己手中的文档,全文阅读其他用户的文档,同时,也
STC12C5A60S2单片机IO口工作模式设定 STC12C5A60S2 系列单片机其所有I/O口均可由软件配置成4种工作类型之一