
BMS海量历史数据存储系统设计
700x345 - 106KB - JPEG

BMS海量历史数据存储系统设计
494x305 - 58KB - JPEG

bms海量历史数据存储系统设计-广电电器网-w
388x459 - 43KB - JPEG

央行4月金融数据显示 居民存款创历史最大降幅
500x325 - 44KB - JPEG

BMS海量历史数据存储系统设计
641x267 - 77KB - JPEG

bms海量历史数据存储系统设计-广电电器网-w
640x493 - 52KB - JPEG

BMS海量历史数据存储系统设计
640x493 - 136KB - JPEG

记录人类历史--永恒5D数据储存技术 - 高科技 -
400x248 - 12KB - JPEG

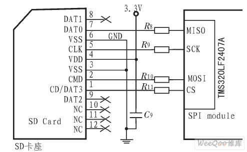
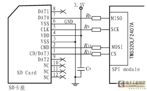
基于SD卡的BMS海量历史数据存储系统设计 -
800x292 - 42KB - JPEG

基于sd卡的bms海量历史数据存储系统设计 (1
640x493 - 61KB - JPEG

5D数据存储技术能记录人类历史
400x397 - 85KB - JPEG

BMS海量历史数据存储系统设计,解决方案
494x305 - 58KB - JPEG

基于SD卡的BMS海量历史数据存储系统设计,解
494x305 - 33KB - JPEG
基于SD卡的BMS海量历史数据存储系统
250x304 - 23KB - JPEG

基于sd卡的bms海量历史数据存储系统设计
388x459 - 48KB - JPEG
提供全面的“历史数据存储”相关文献(论文)下载,论文摘要免费查询,历史数据存储论文全文下载提供PDF
数据存储 网络存储设备 存储系统 it 分类:存储博文 存储在这里的含义为信息记录,是伴随人类活动出现的
在线互动式文档分享平台,在这里,您可以和千万网友分享自己手中的文档,全文阅读其他用户的文档,同时,也
用VC实现PHD的历史数据存储,编制了历史数据的采集程序。通过在工作站上运行该程序,把数据写入数据服务器
中文名称:历史数据存储英文名称:historicaldatamemory. 本词条缺少 信息栏、名片图,补充相关内容使词条
实时历史数据库是实现工业海量数据采集的有效手段,应用OPC、螺旋门等工业协议来搜集与压缩存储能源信息。
使用 IQ 建立 有效的历史数据存储使用 I SybaseIQGeorgeLiao PSPracticeManager 议程 银行历史交易数据管理
使用IQ建立有效的历史数据存储使用I 图案背景 纯色背景 文档 行业资料 考试资料 教学课件 学术论文
方案:现状表+历史表结合的方式:现状表:即数据的当前、最新技术实现:将全量数据存储在Hbase中,现状数