
转2张面值2000的武商卡,有效期2017年。 - 得
600x338 - 46KB - JPEG

N2000-N2000色谱数据工作站|N2000色谱工作
700x458 - 26KB - JPEG

【AK-2000Pro 数据采集器 仓库盘点机 快递扫
784x367 - 230KB - JPEG

赛诺数据:2000-2999价位销量前五没小米_OP
600x427 - 130KB - PNG

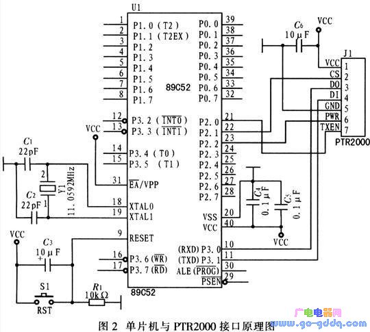
基于PTR2000无线数据传输解决方案
540x485 - 55KB - JPEG

N2000色谱数据工作站
500x420 - 71KB - JPEG
美国各种族人口分布图(2000年数据)
658x509 - 246KB - PNG

2000w开房数据查询下载 住客与前女友开房被
550x279 - 22KB - JPEG

N2000双通道色谱数据工作站V6.1版
800x600 - 100KB - JPEG

2000w开房数据 被疯狂下载19万次
400x408 - 28KB - JPEG

美联储升息?今年美国经济数据为2000年来最差
550x405 - 24KB - JPEG

aduc845单片机和ptr2000的无线数据采集系统
700x423 - 60KB - JPEG

2000万开房数据大范围泄露 个人信息将被精确
382x300 - 23KB - JPEG

组图:2000万开房数据遭下载 1.7G的数据文件下
541x260 - 22KB - JPEG

1044马力\/续航2000公里 国产电动超跑数据堪称
980x653 - 95KB - JPEG
药物有效期与失效期有区别,-人人健康2000年第05期杂志在线阅读、文章下载据此可推算药品的使用有效期限。
【摘要】:文章在综合了最佳适应算法、站点全受益法和附加副本算法的基础上,提出了一种有效的数据分布算法,
一种简单而有效的数据闭合方法,周健湘-湖南交通科技2000年第02期杂志在线阅读、文章下载。正>工程计量
我是2006年考的,请问现在还有效吗有的机构颁发的证书,没有写明有效期,则 iso9001:2000 版标准不作废,内
唇膏有有效期吗,一般有效期是多久唇膏有效期一般是三年。如果放在阴凉处放一年应该问题不大。超过保持期的
之前介绍了ICH Q1E关于如何根据稳定性数据建立药品有效期的方法,但是遗留了一个问题:当数据随时间有变化
计算三包有效期应注意以下几点:1、三包有效期限自开具发票之日起算,至法律规定的或者合同约定的三包有效
一、为了加强有效期药品的管理,特制定本规定;二、有效期药品的外包装及瓶签应有明显的效期标志,对没有效